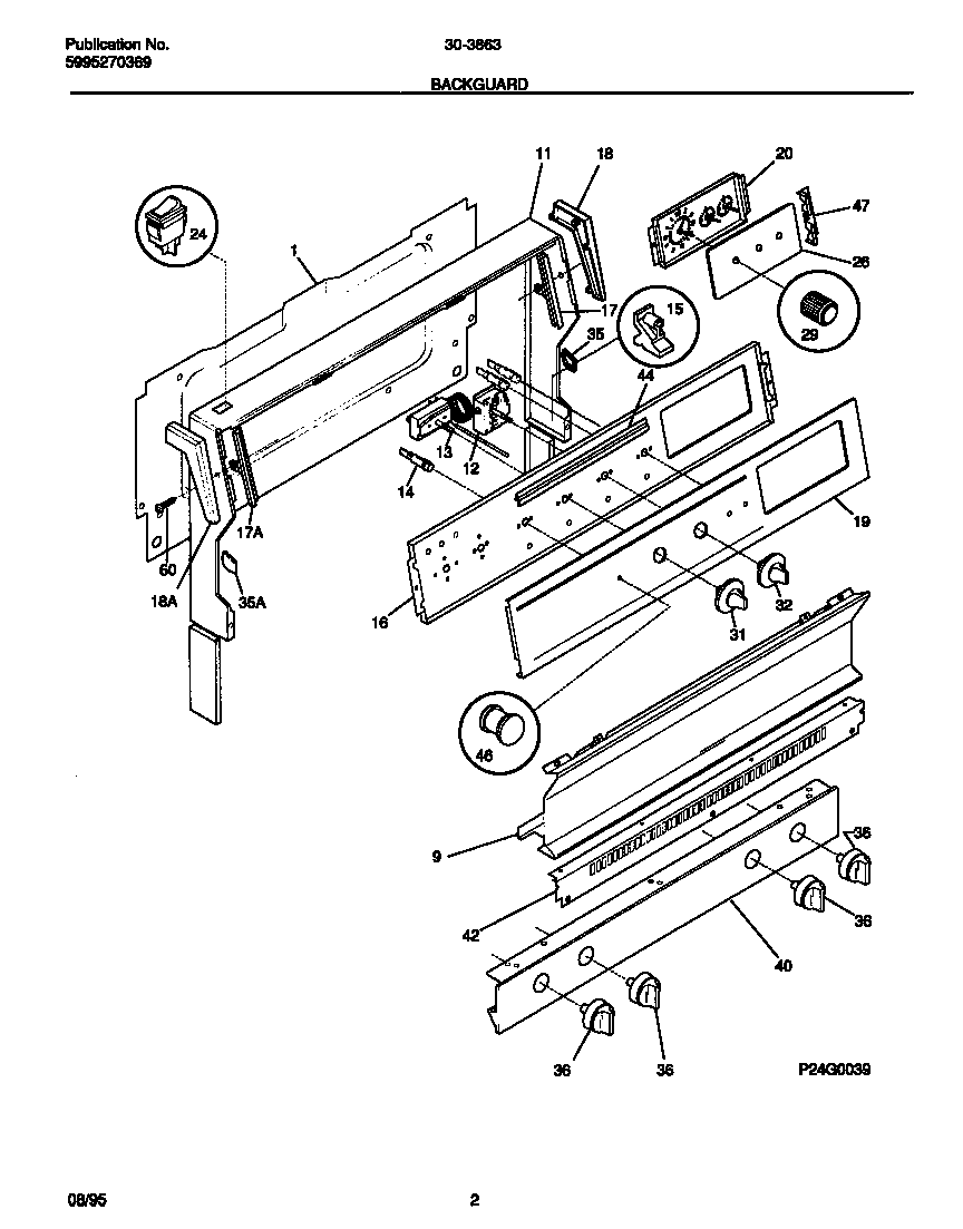
30-3863-23-04 02 – BACKGUARDadmin2025-04-26T08:44:58+00:0030-3863-23-04 02 – BACKGUARD ProductsPositionProduct*65562WCI 5303281584*65560WCI 3204745*65561WCI 5303272555*65564WCI 316001439*65563SCREW-END CAP1SHIELD-BACKGUARD,REAR WALL9WCI 31604350211WCI 320476412THERMOSTAT-BAKE13SWITCH SELECTOR 5 POS14WCI 530803789614AINDICATOR LIGHT-LOCK (1)15SUPPORT-BACKGUARD,(2)16WCI 31604260117TRIM-GLASS RETAINER,RH17ATRIM-GLASS RETAINER,LH18WCI 320474718AWCI 320474619PANEL, CONTROL, METAL20ELECTRICAL CLOCK245308015487 Frigidaire Switch-Oven Light26WCI 320169529WCI 31602900031WCI 530328609932WCI 530328609835CAP-RH35ACAP-LH36WCI 31602301440WCI 31600924242WCI 31608430044WCI 313146846WCI 31606580047RETAINER, CLOCK GLASS, (2)60316021105 Frigidaire Oven Screw