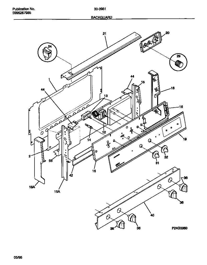
30-3981-00-05 02 – BACKGUARDadmin2025-04-26T08:45:04+00:0030-3981-00-05 02 – BACKGUARD ProductsPositionProduct*41480WCI 53032884801SHIELD-BACKGUARD, REAR WALL2WCI 31603880112THERMOSTAT-BAKE13SWITCH SELECTOR 5 POS14AWCI 530803789614BINDICATOR LIGHT-LOCK (1)15SUPPORT-BACKGUARD, LH15SUPPORT-BACKGUARD, RH15WCI 530328857416WCI 31604260118CAP-END-RH18CAP-END-LH19AWCI 530327284019BWCI 530327283620CLOCK21WCI 5303283554245308015487 Frigidaire Switch-Oven Light29WCI 31602900031WCI 530328609932WCI 530328609836KNOB-TOP VALVE, (4)40WCI 530326963442WCI 530327283944WCI 530327283156WCI 316014601