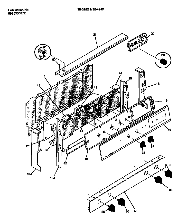
30-3982-00-03 02 – BACKGUARDadmin2025-04-26T08:45:38+00:0030-3982-00-03 02 – BACKGUARD ProductsPositionProduct1SHIELD-BACKGUARD, REAR WALL2WCI 31603880115WCI 31602311015WCI 31602311116WCI 31604260118CAP-END-LH18CAP-END-RH19WCI 31602830019WCI 530327283620WCI 31603700121WCI 5303283554245308015487 Frigidaire Switch-Oven Light28PUSH BUTTON, CLOCK/TIMER/EOC, BLACK28WCI 31603690036KNOB-TOP VALVE, (4)40WCI 31600924242WCI 530327283944WCI 530327283156WCI 316014601