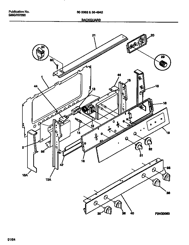
30-3982-00-05 02 – BACKGUARDadmin2025-04-26T08:44:43+00:0030-3982-00-05 02 – BACKGUARD ProductsPositionProduct*23921316021105 Frigidaire Oven Screw*23920WCI 5303281584*23922WCI 3160014391SHIELD-BACKGUARD, REAR WALL2WCI 31603880112THERMOSTAT-BAKE13SWITCH SELECTOR 5 POS14WCI 530803789614INDICATOR LIGHT-LOCK (1)15WCI 31602311015AWCI 31602311116WCI 31604260118ACAP-END-LH18CAP-END-RH19WCI 530327284019WCI 530327283620ELECTRICAL CLOCK21WCI 5303283554245308015487 Frigidaire Switch-Oven Light29WCI 31602900031WCI 530328609932WCI 530328609836KNOB-TOP VALVE, (4)40WCI 31600924242WCI 530327283944WCI 530327283156WCI 31607490260WCI 5303288574