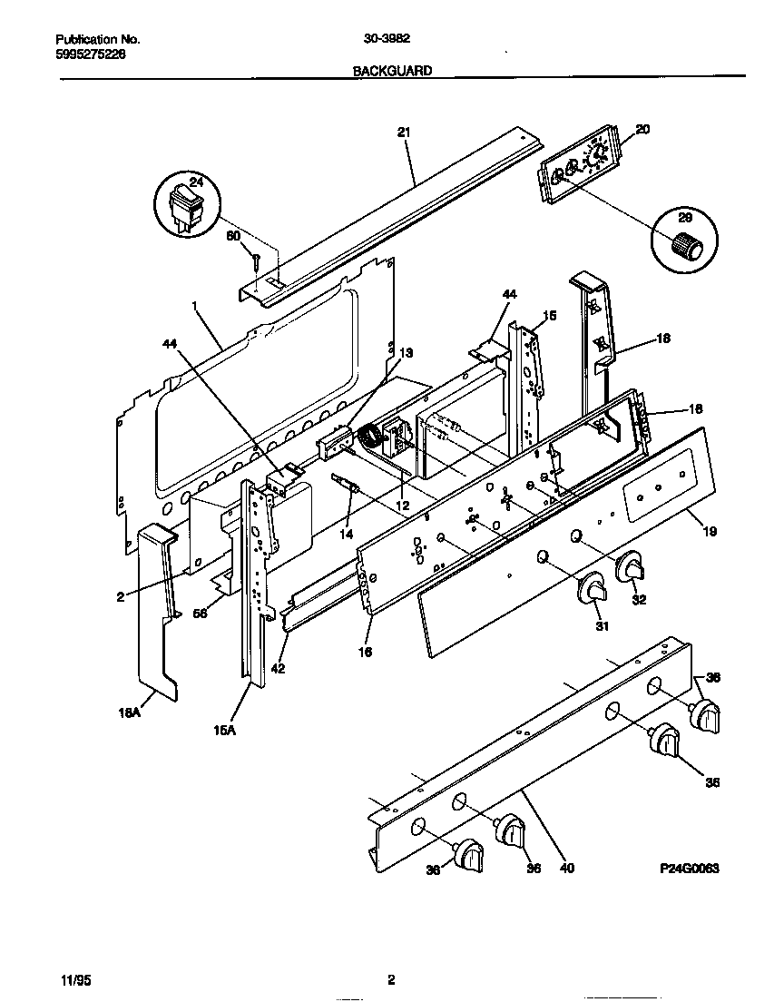
30-3982-23-07 02 – BACKGUARDadmin2025-04-26T08:44:58+00:0030-3982-23-07 02 – BACKGUARD ProductsPositionProduct*40520WCI 316001439*40521WCI 5303281584*40522WCI 53032885741SHIELD-BACKGUARD, REAR WALL2WCI 31603880112THERMOSTAT-BAKE13SWITCH SELECTOR 5 POS14BINDICATOR LIGHT-LOCK (1)14AWCI 530803789615WCI 31602311115WCI 31602311016WCI 31604260118CAP-END-LH18CAP-END-RH19AWCI 530327284019BWCI 530327283620ELECTRICAL CLOCK21WCI 5303283554245308015487 Frigidaire Switch-Oven Light29WCI 31602900031WCI 530328609932WCI 530328609836WCI 31602301440WCI 31600924242WCI 530327283944WCI 530327283156WCI 31607490260316021105 Frigidaire Oven Screw