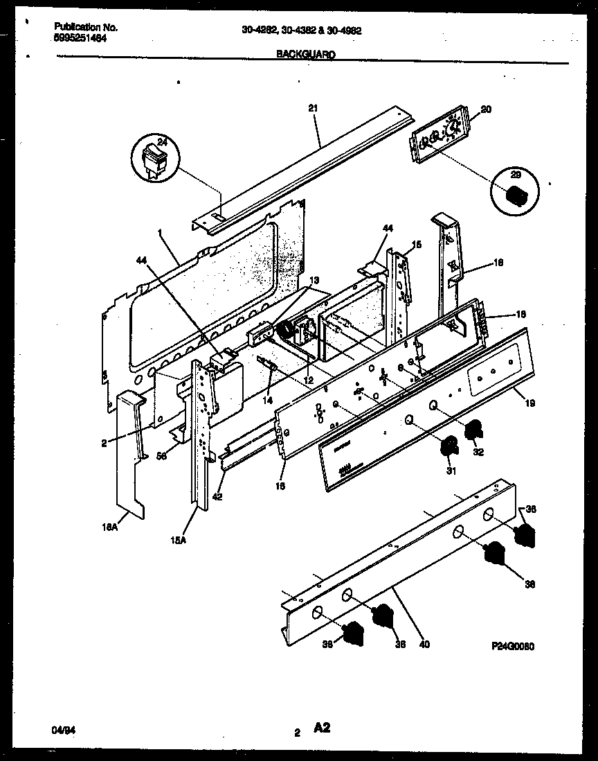
30-4282-00-02 02 – BACKGUARDadmin2025-04-26T08:45:13+00:0030-4282-00-02 02 – BACKGUARD ProductsPositionProduct*10027WCI 5303288480*10027WCI 53032885741SHIELD-BACKGUARD, REAR WALL2WCI 31603880112THERMOSTAT-BAKE13SWITCH SELECTOR 5 POS14WCI 530803789614AINDICATOR LIGHT-LOCK (1)15AWCI 31602311115WCI 31602311016WCI 31604260118ACAP-END-LH18CAP-END-RH19WCI 530327284019AWCI 530327283620ELECTRICAL CLOCK21WCI 5303283554245308015487 Frigidaire Switch-Oven Light29KNOB-CLOCK31WCI 530328609932WCI 530328609836KNOB-TOP VALVE, (4)40WCI 31600924242WCI 530327283944WCI 530327283156WCI 316014601