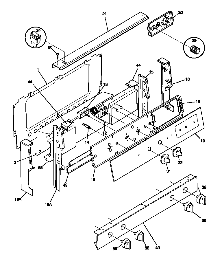
30-4282-00-04 02 – BACKGUARDadmin2025-04-26T08:44:48+00:0030-4282-00-04 02 – BACKGUARD ProductsPositionProduct*50442WCI 316001439*50440WCI 5303281584*50441WCI 53032885741SHIELD-BACKGUARD, REAR WALL2WCI 31603880112THERMOSTAT-BAKE13SWITCH SELECTOR 5 POS14INDICATOR LIGHT-LOCK (1)14WCI 530803789615WCI 31602311115WCI 31602311016WCI 31604260118CAP-END-LH18CAP-END-RH19WCI 530327284019WCI 530327283620ELECTRICAL CLOCK21WCI 5303283554245308015487 Frigidaire Switch-Oven Light29WCI 31602900031WCI 530328609932WCI 530328609836WCI 31602301440WCI 31600924242WCI 530327283944WCI 530327283156WCI 31607490260316021105 Frigidaire Oven Screw