30-4382-23-03 03 – BURNERadmin2025-04-26T08:44:54+00:0030-4382-23-03 03 – BURNER
Products
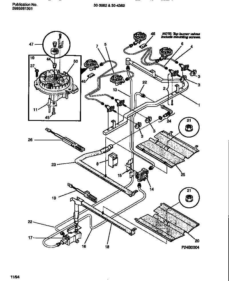
| Position | Product |
|---|
| 1 | WCI 316066201 |
| 2 | WCI 316020400 |
| 3 | SWITCH-IGNITER, (4) |
| 3A | HARNESS-WIRING, IGNITER SW./MDL (NOT ILLUSTRATED) |
| 4 | WCI 316059604 |
| 5 | 316059613 Frigidaire Oven Tube-LF |
| 6 | WCI 316059606 |
| 7 | 316059615 Frigidaire Oven Tube |
| 8A | HARNESS-WIRING, MODULE/IGNITER (NON-ILLUSTRATED) |
| 8 | 5304505695 Frigidaire Oven Module |
| 10 | BURNER ASSY-TOP, SEALED, (4), INCLUDES, 11, 37, 44, 45, |
| 11 | 316011200 Frigidaire Oven Top Burner Igniter |
| 13 | WCI 316065005 |
| 14 | 5303935125 Frigidaire Pressure Regulator |
| 14A | 316021104 Frigidaire Oven Screw Assembly |
| 15 | 316091600 Frigidaire Oven Bracket |
| 16 | WCI 316065003 |
| 17 | 5303208499 Frigidaire Safety Gas Valve |
| 18 | WCI 3131290 |
| 19 | 5303935066 Frigidaire Oven Flat Igniter 17" Leads |
| 20 | BAFFLE-OVN BURNER |
| 21 | 5303013272 Frigidaire Oven Nut |
| 23 | WCI 08067935 |
| 24 | WCI 316070400 |
| 25 | WCI 5303210379 |
| 26 | 5303935068 Frigidaire Flat Igniter |
| 37 | 316069301 Frigidaire Oven Burner Mounting Primary Screw |
| 44 | ORIFICE-TOP BURNER, (4) |
| 45 | WCI 316011100 |
| 46 | WCI 5303269491 |
| 47 | WCI 5303286386 |
| 50 | BURNER-TOP, (4), INCLUDES 37 |