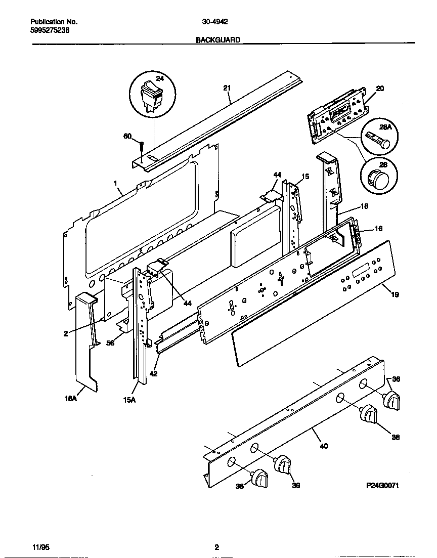
30-4942-23-07 02 – BACKGUARDadmin2025-04-26T08:45:16+00:0030-4942-23-07 02 – BACKGUARD ProductsPositionProduct*06402WCI 316001441*06400WCI 5303281584*06401WCI 53032885741SHIELD-BACKGUARD, REAR WALL2WCI 31603880115WCI 31602311015WCI 31602311116WCI 31604260118CAP-END-RH18CAP-END-LH19BWCI 530327283619AWCI 31602830020WCI 31606450121WCI 5303283554245308015487 Frigidaire Switch-Oven Light28WCI 31603690028PUSH BUTTON, CLOCK/TIMER/EOC, BLACK36WCI 31602301440WCI 31600924242WCI 530327283944WCI 530327283156WCI 31607490260316021105 Frigidaire Oven Screw