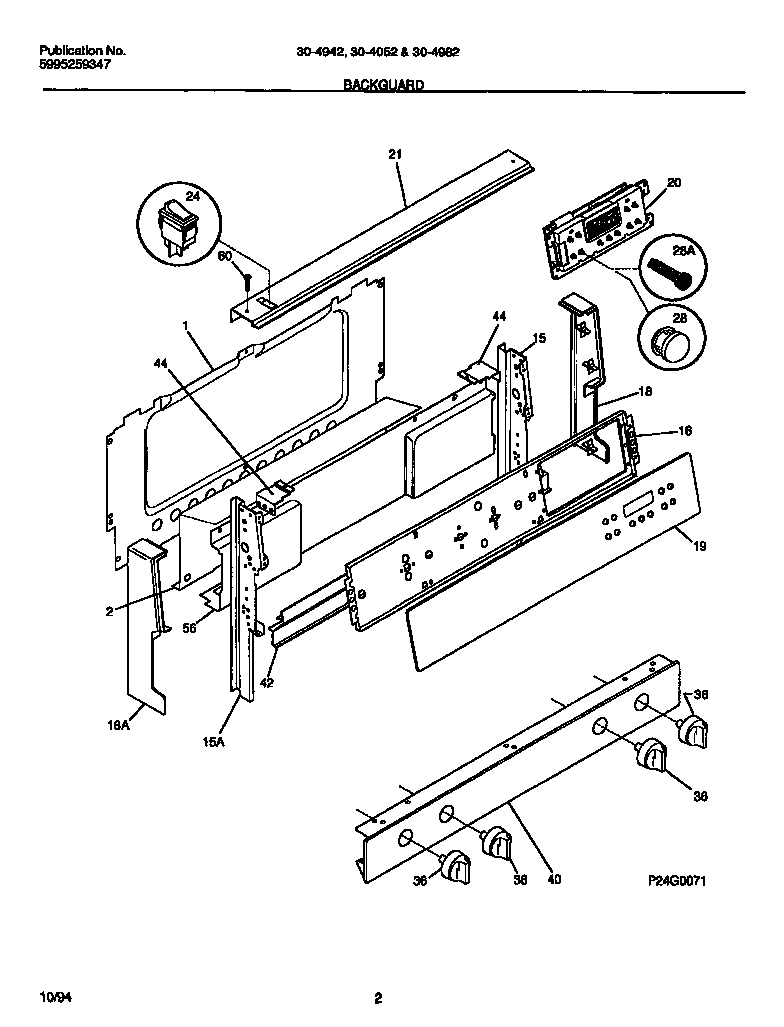
30-4952-00-03 02 – BACKGUARDadmin2025-04-26T08:46:02+00:0030-4952-00-03 02 – BACKGUARD ProductsPositionProduct*92769WCI 5303281584*92768WCI 53032896871SHIELD-BACKGUARD, REAR WALL2WCI 31603880115AWCI 31602311115WCI 31602311016WCI 31604260118AEND CAP, WHITE, LH18END CAP, WHITE, RH19AWCI 530327283619WCI 31602830120WCI 31603700121WCI 31603920024WCI 530328591128PUSH BUTTON, CLOCK/TIMER/EOC, GRAY, (11)28AWCI 31603690036WCI 31602910040WCI 31600920842WCI 530327283944WCI 530327283156WCI 31607490260WCI 5303288574