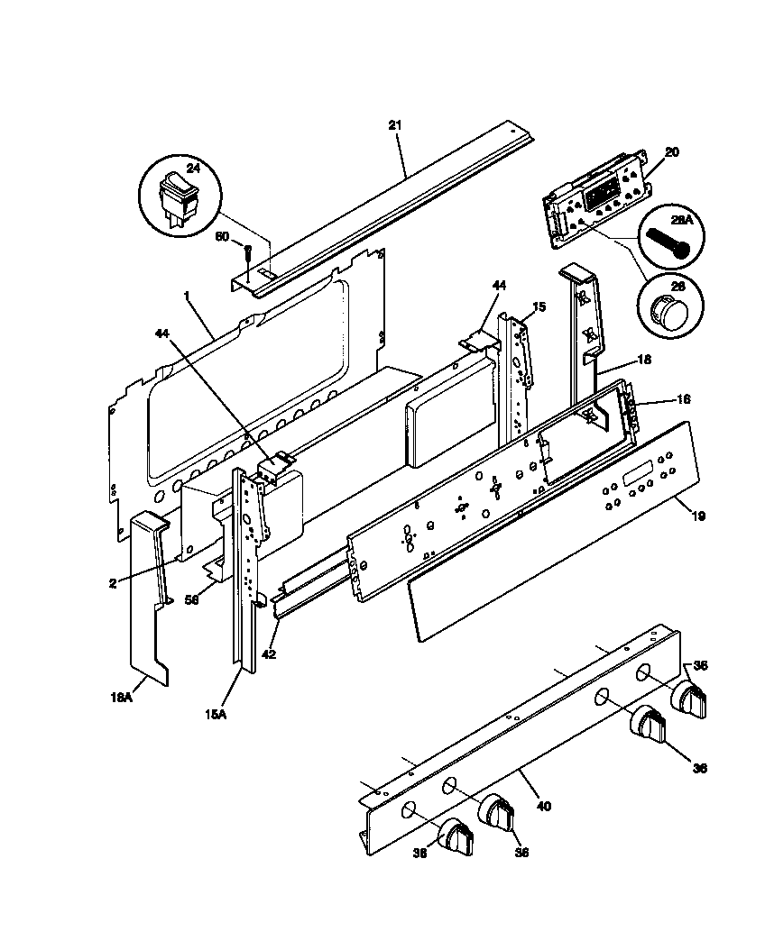
30-4952-00-05 02 – BACKGUARDadmin2025-04-26T08:45:07+00:0030-4952-00-05 02 – BACKGUARD ProductsPositionProduct*68360WCI 5303290188*68362WCI 5303281584*68363WCI 5303288574*68361WCI 3160014411SHIELD-BACKGUARD, REAR WALL2WCI 31603880115WCI 31602311015WCI 31602311116WCI 31604260118WCI 31602180518WCI 31602180419WCI 530327283619WCI 31602830120WCI 31606450121WCI 31603920224WCI 31606040028WCI 31603690028PUSH BUTTON, CLOCK/TIMER/EOC, GRAY, (11)36WCI 31602301640WCI 31600927642WCI 530327283944WCI 530327283156WCI 31607490260316021105 Frigidaire Oven Screw