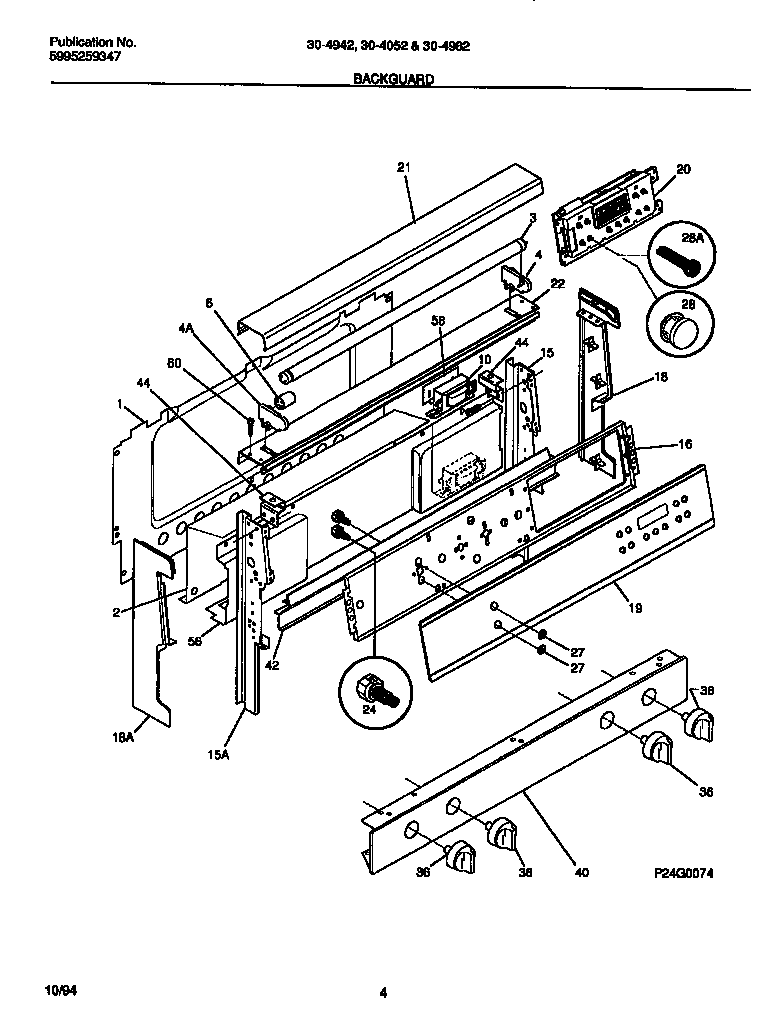
30-4982-23-03 03 – BACKGUARDadmin2025-04-26T08:44:58+00:0030-4982-23-03 03 – BACKGUARD ProductsPositionProduct*92761WCI 5303281584*92760WCI 3160014121SHIELD-BACKGUARD, REAR WALL2WCI 3160388013BULB-FLUOR4ARECEPTACLE-LAMP, LH4RECEPTACLE-LAMP, RH6STARTER-LAMP10WCI 530305111515WCI 31602311015AWCI 31602311116WCI 31604260118END CAP, RH18AEND CAP, LH19WCI 31602830319WCI 530327283620WCI 31603700121WCI 31601530022WCI 31603860024WCI 530320047927WCI 530301150728AWCI 31603690028PUSH BUTTON, CLOCK/TIMER/EOC, BLACK36KNOB-TOP VALVE, (4)40WCI 31600924242WCI 530327283944WCI 31603850156WCI 31607490258WCI 31604340060WCI 5303288574