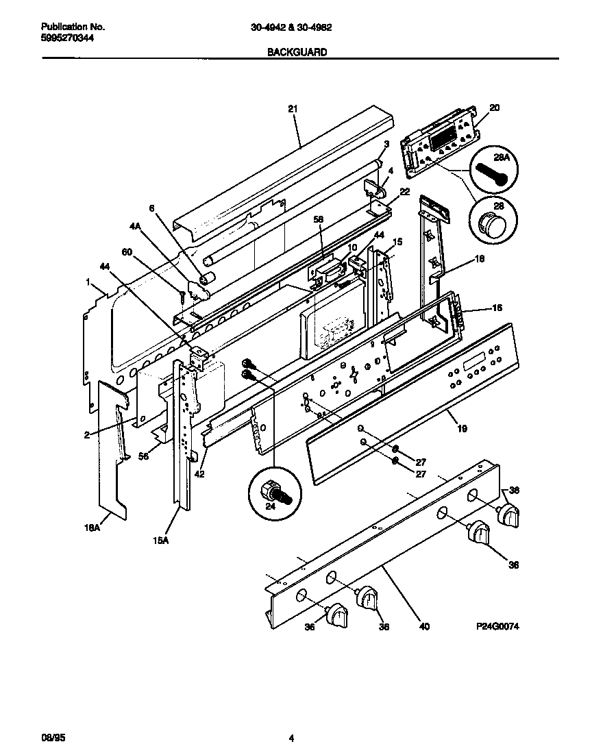
30-4982-23-05 03 – BACKGUARDadmin2025-04-26T08:45:35+00:0030-4982-23-05 03 – BACKGUARD ProductsPositionProduct*23883WCI 316001442*23884WCI 5303281584*23885WCI 53032885741SHIELD-BACKGUARD, REAR WALL2WCI 3160388013BULB-FLUOR4ARECEPTACLE-LAMP, LH4RECEPTACLE-LAMP, RH6STARTER-LAMP10WCI 530305111515AWCI 31602311115WCI 31602311016WCI 31604260118END CAP, RH18AEND CAP, LH19WCI 31602830319AWCI 530327283620WCI 31606450121WCI 31601530022WCI 31603860024WCI 530320047927WCI 530301150728AWCI 31603690028PUSH BUTTON, CLOCK/TIMER/EOC, BLACK36WCI 31602301440WCI 31600924242WCI 530327283944WCI 31603850156WCI 31607490258WCI 31604340060316021105 Frigidaire Oven Screw