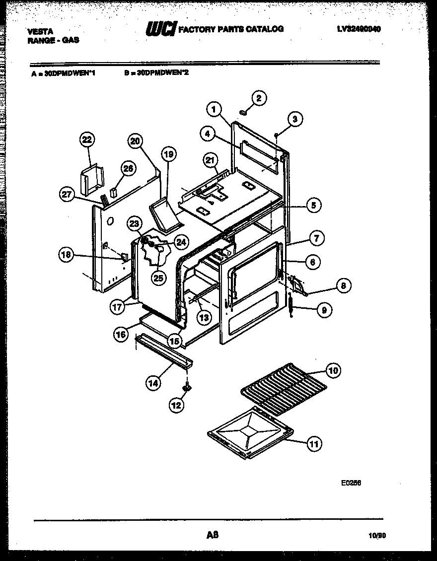
30DPMDWEN2 07 – BODY PARTSadmin2025-04-26T08:51:37+00:0030DPMDWEN2 07 – BODY PARTS ProductsPositionProduct*37450WCI 53032128561PANEL BODYSIDE-ALMD1BODYSIDE PANEL-WHITE (2)2GROMMET-MAINTOP3GROMMET4ASHIELD-BURNER BOX LH4SHIELD-BURNER BOX RH5SUPPORT CONTROL PNL6DOOR SEAL7WCI 32055788HINGE ASSY-RH8A318348801 Frigidaire Oven Left Side Door Hinge9SPRING-OVEN DOOR (2)10OVEN RACK (2)11WCI 301828213SUPPORT-OVEN BOTTOM14BRAIL-BASE, LH14ARail,base ,RH15OVEN LINER-SIDE RH15AOVEN LINER-SIDE LH15BWCI 301834715CWCI 301828616WCI 301164517WCI 301717117AWCI 301717218SUPPORT-REAR OVN (2)19WCI 301717320WCI 530301334021WCI 301717421AANTI-TIP KIT21BCLIP,BODYSIDE22WCI 0801395323WCI 305151124316116400 Frigidaire Oven Light Socket25316538904 Frigidaire Oven Lamp Light265303912606 Frigidaire Oven Range Spark Module 2+0 4 Large Terminals27CHANNEL - MAIN WIRE