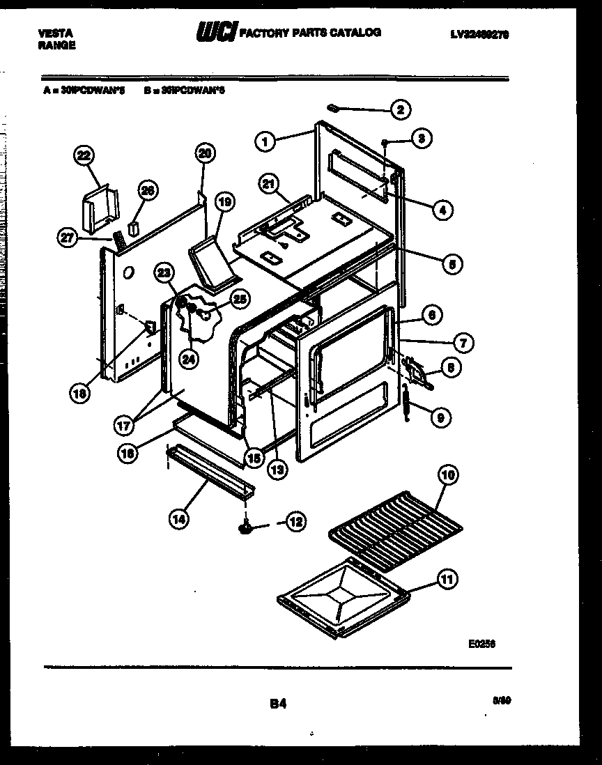
30IPCDWAN5 07 – BODY PARTSadmin2025-04-26T08:51:08+00:0030IPCDWAN5 07 – BODY PARTS ProductsPositionProduct1PANEL-BODYSIDE (WHITE) (2)2PANEL-DOOR WHITE3GROMMET4AWCI 31310544WCI 31310535SUPPORT CONTROL PNL6WCI 080080227WCI 32055788WCI 32046708A318348801 Frigidaire Oven Left Side Door Hinge9SPRING - OVEN DOOR10RACK-OVEN11WCI 301828212WCI 305108013SUPPORT-OVEN BOTTOM14BASE RAIL15WCI 301870915AWCI 301871315WCI 301871015BWCI 301871216WCI 301164517AWCI 301717217WCI 301717118SUPPORT-REAR OVN (2)19WCI 301717320WCI 301334021BCLIP,BODYSIDE21AANTI-TIP KIT21WCI 301717422WCI 0801395323WCI 305151124316116400 Frigidaire Oven Light Socket25316538904 Frigidaire Oven Lamp Light265303912606 Frigidaire Oven Range Spark Module 2+0 4 Large Terminals27CHANNEL - MAIN WIRE