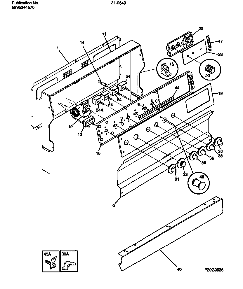
31-2649-23-06 02 – BACKGUARD