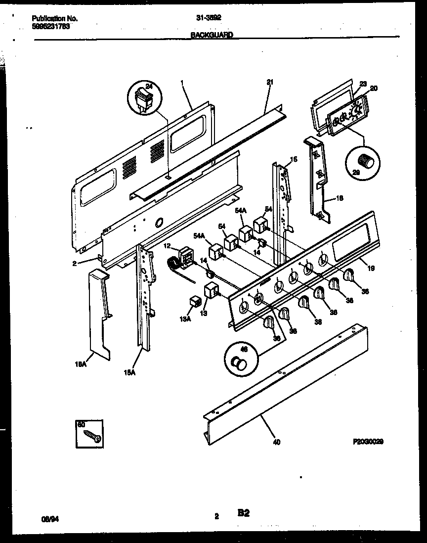
31-3592-23-01 02 – BACKGUARDadmin2025-04-26T08:53:03+00:0031-3592-23-01 02 – BACKGUARD ProductsPositionProduct1SHIELD-BACKGUARD, REAR WALL2WCI 31601590512THERMOSTAT, OVEN, NON SC13AWCI 530329140713SWITCH-SELECTOR, 4 POS NSC14316022503 Frigidaire Light Lamp P-115AWCI 31602310315WCI 31602310215BWCI 530328857418CAP-END-RH18ACAP-END-LH19WCI 31601470620CLOCK/TIMER, ANALOG 3 STEM21WCI 31601480123WCI 316015001245308015487 Frigidaire Switch-Oven Light29KNOB-CLOCK36WCI 31601520040WCI 31600925446WCI 316040200545303935086 Frigidaire Oven Top Burner Switch Kit54A316436001 Frigidaire Oven Range Infinite Burner Switch60WCI 5303281584