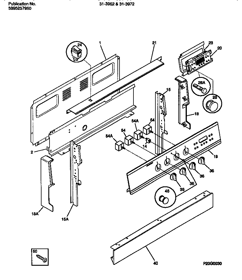
31-3962-23-02 02 – BACKGAURDadmin2025-04-26T08:53:08+00:0031-3962-23-02 02 – BACKGAURD ProductsPositionProduct*26040WCI 53032815841SHIELD-BACKGUARD, REAR WALL1AWCI 3160752012WCI 31601590714316022503 Frigidaire Light Lamp P-115WCI 31602311015AWCI 31602311118CAP-END-RH18ACAP-END-LH19WCI 31601470420WCI 31603700021WCI 31601480123WCI 316015007245308015487 Frigidaire Switch-Oven Light28PUSH BUTTON, CLOCK/TIMER/EOC, BLACK28AWCI 31603690036WCI 31601520040WCI 31600925446WCI 31604020054A316436001 Frigidaire Oven Range Infinite Burner Switch545303935086 Frigidaire Oven Top Burner Switch Kit60WCI 5303288574