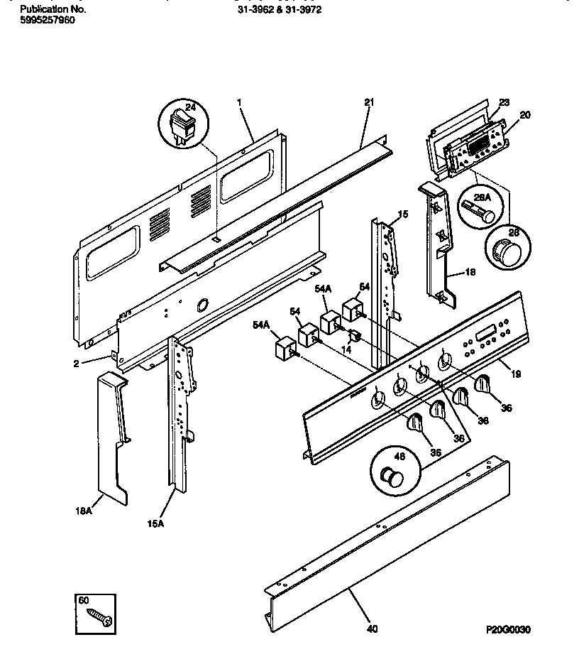
31-3972-00-02 02 – BACKGAURDadmin2025-04-26T08:52:57+00:0031-3972-00-02 02 – BACKGAURD ProductsPositionProduct*26040WCI 53032815841AWCI 3160752012WCI 31601590714316022503 Frigidaire Light Lamp P-115WCI 31602311015AWCI 31602311118END CAP, WHITE, RH18AEND CAP, WHITE, LH19WCI 31601470920WCI 31603700021WCI 31601480223WCI 31601500724WCI 530328591128PUSH BUTTON, CLOCK/TIMER/EOC, GRAY, (11)28AWCI 31603690036WCI 31601520140WCI 31600920946WCI 31604020054A316436001 Frigidaire Oven Range Infinite Burner Switch545303935086 Frigidaire Oven Top Burner Switch Kit60WCI 5303288574