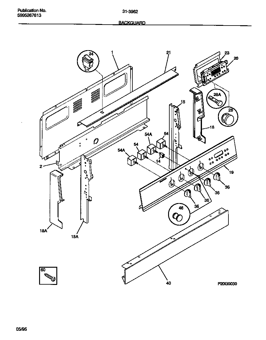
31-3982-00-03 02 – BACKGUARDadmin2025-04-26T11:14:18+00:0031-3982-00-03 02 – BACKGUARD ProductsPositionProduct*17760316021105 Frigidaire Oven Screw*17761WCI 5303281584*17762SCREW-SWITCH MTG, 8-32 X 3/16, SW TO CNTL PNL, (8)1WCI 3160816012WCI 31601590714316022503 Frigidaire Light Lamp P-115WCI 31602311015WCI 31602311118CAP-END-LH18CAP-END-RH19WCI 31601470420WCI 31606450021WCI 31601480123WCI 316015007245308015487 Frigidaire Switch-Oven Light28PUSH BUTTON, CLOCK/TIMER/EOC, BLACK28WCI 31603690036WCI 31601520040WCI 31600925446WCI 31604020054316436001 Frigidaire Oven Range Infinite Burner Switch545303935086 Frigidaire Oven Top Burner Switch Kit60WCI 5303288574