31-5592-00-04 02 – BACKGUARDadmin2025-04-26T11:12:03+00:0031-5592-00-04 02 – BACKGUARD
Products
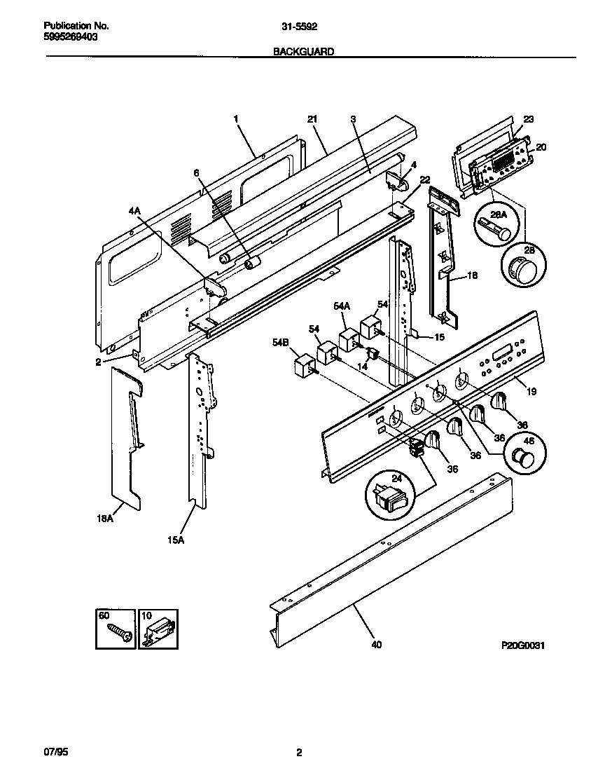
| Position | Product |
|---|
| *87440 | 316021105 Frigidaire Oven Screw |
| *87443 | WCI 5303281584 |
| *87444 | SCREW-SWITCH MTG, 8-32 X 3/16, SW TO CNTL PNL, (8) |
| *87441 | LIGHT/LAMP, IND, HOT SURFACE |
| *87442 | LENS-LIGHT/LAMP, INDICATOR |
| 1 | WCI 316081601 |
| 2 | WCI 316015905 |
| 3 | BULB-FLUOR |
| 4 | RECEPTACLE-LAMP, RH |
| 4A | RECEPTACLE-LAMP, LH |
| 6 | STARTER-LAMP |
| 10 | WCI 5303051115 |
| 14 | 316022503 Frigidaire Light Lamp P-1 |
| 15A | WCI 316023111 |
| 15 | WCI 316023110 |
| 18A | END CAP, LH |
| 18 | END CAP, RH |
| 19 | WCI 316014708 |
| 20 | WCI 316064500 |
| 21 | WCI 316015300 |
| 22 | WCI 316015500 |
| 23 | WCI 316015007 |
| 24 | 5304527841 Frigidaire Oven Rocker Switch (Black) |
| 28 | PUSH BUTTON, CLOCK/TIMER/EOC, BLACK |
| 28A | WCI 316036900 |
| 36 | WCI 316015200 |
| 40 | WCI 316009254 |
| 46 | WCI 316040200 |
| 54 | 5303935086 Frigidaire Oven Top Burner Switch Kit |
| 54B | WCI 316023700 |
| 54A | 316436001 Frigidaire Oven Range Infinite Burner Switch |
| 60 | WCI 5303288574 |