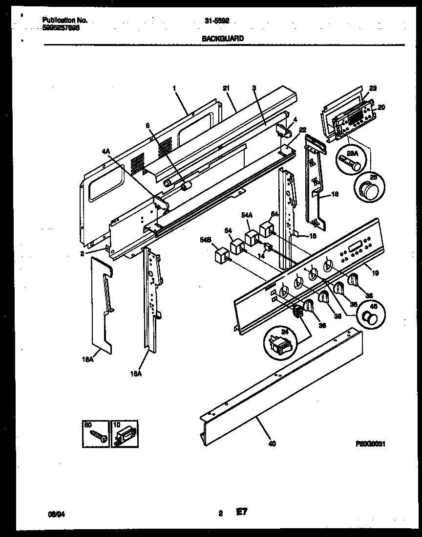
31-5592-18-01 02 – BACKGUARDadmin2025-04-26T11:12:23+00:0031-5592-18-01 02 – BACKGUARD ProductsPositionProduct*10611WCI 3160013211SHIELD-BACKGUARD, REAR WALL2WCI 3160159053BULB-FLUOR4RECEPTACLE-LAMP, RH4ARECEPTACLE-LAMP, LH6STARTER-LAMP10WCI 530305111514316022503 Frigidaire Light Lamp P-115BWCI 530328857415WCI 31602310215AWCI 31602310318AEND CAP, LH18END CAP, RH19WCI 31601470820WCI 31603700021WCI 31601530022WCI 31601550023WCI 316015003245304527841 Frigidaire Oven Rocker Switch (Black)28PUSH BUTTON, CLOCK/TIMER/EOC, BLACK28AWCI 31603690036WCI 31601520040WCI 31600925446WCI 31604020054BWCI 316023700545303935086 Frigidaire Oven Top Burner Switch Kit54A316436001 Frigidaire Oven Range Infinite Burner Switch60WCI 5303281584