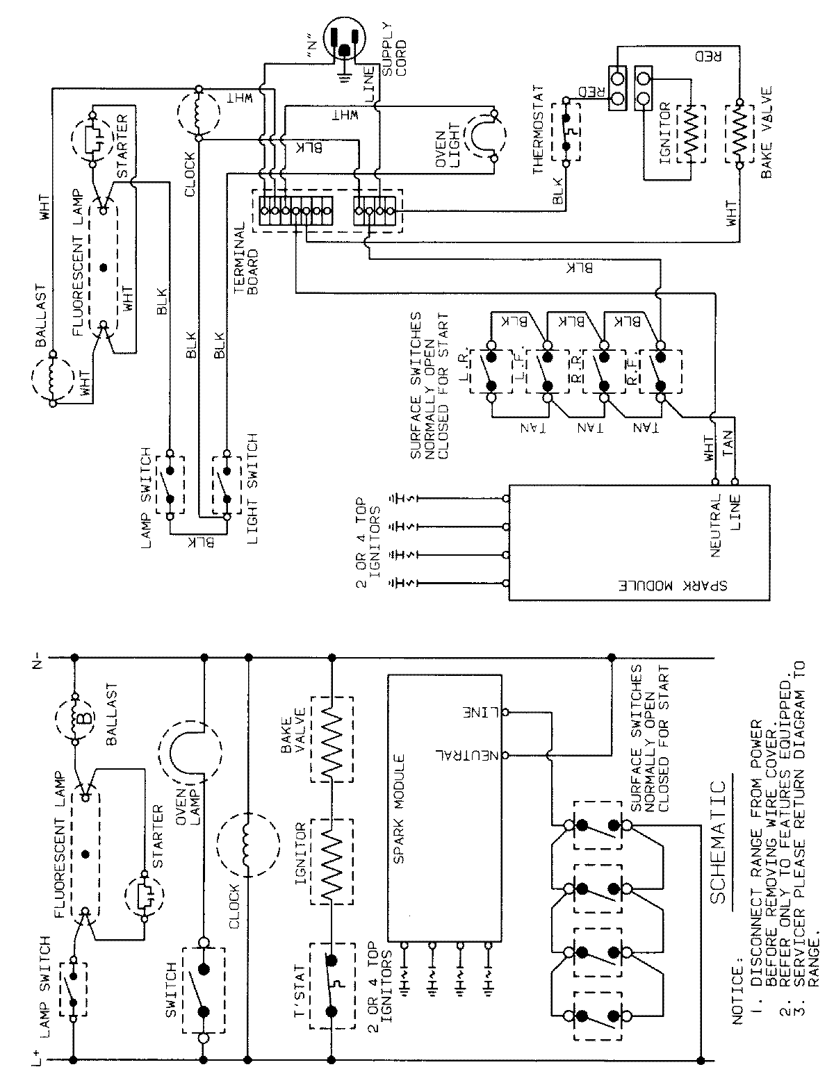
3100PTW-K 05 – WIRING INFORMATIONadmin2025-04-26T09:09:20+00:003100PTW-K 05 – WIRING INFORMATION ProductsPositionProductNIMAY 15001339