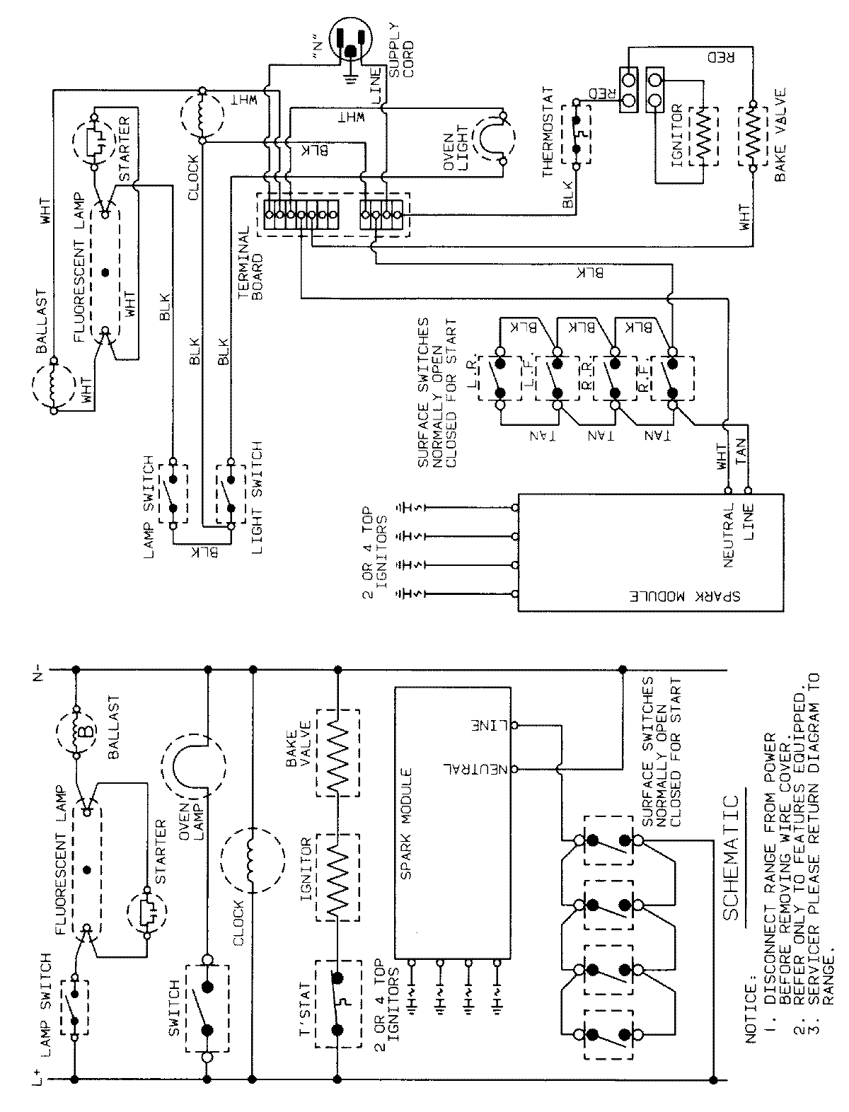
3100PTW-KL 06 – WIRING INFORMATIONadmin2025-04-26T09:07:44+00:003100PTW-KL 06 – WIRING INFORMATION ProductsPositionProductNIMAY 15001339