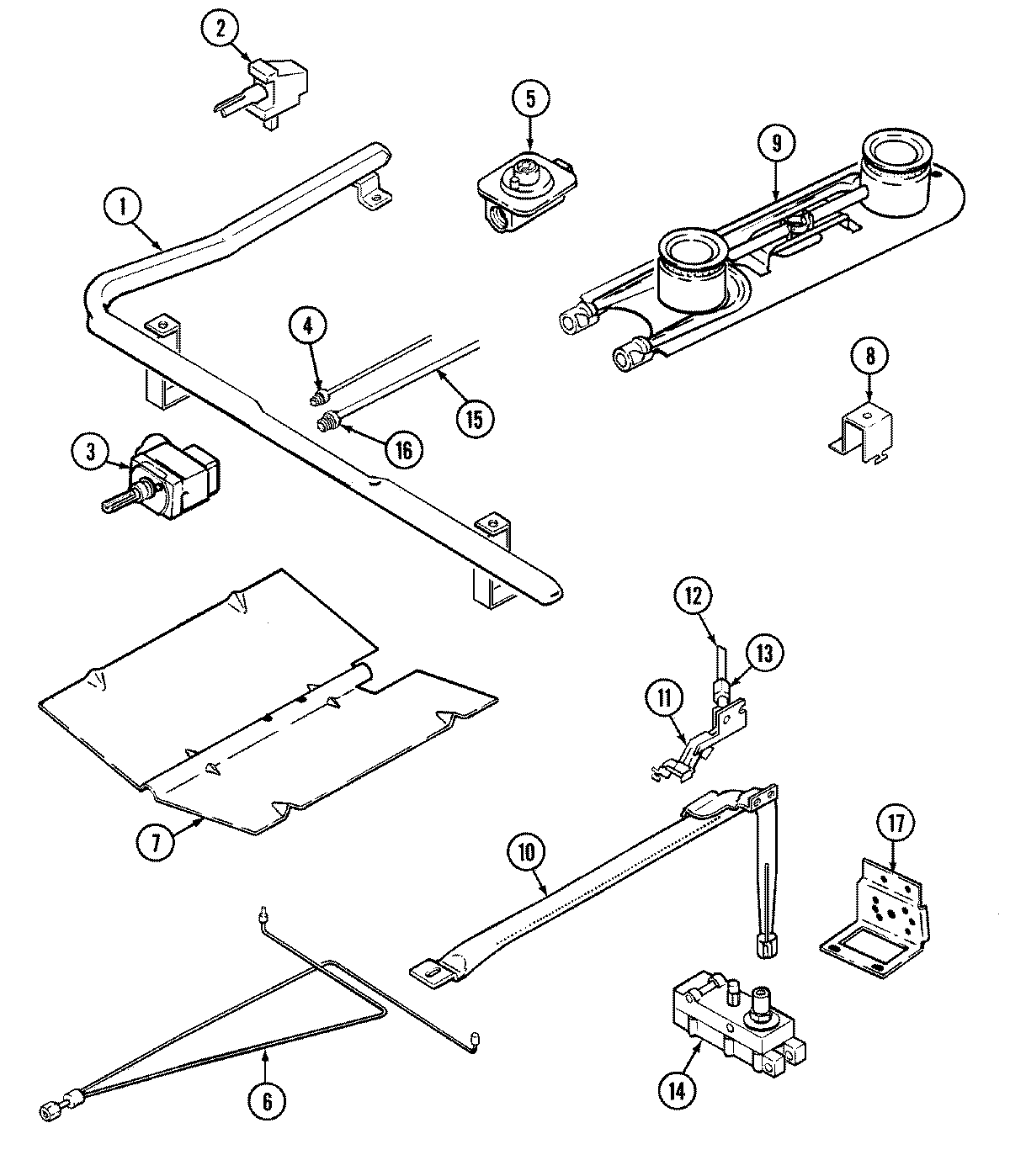
3100SPA 03 – GAS CONTROLS (3100PPx,3100SPx)admin2025-04-26T09:09:08+00:003100SPA 03 – GAS CONTROLS (3100PPx,3100SPx) ProductsPositionProduct1MAY 7513P132-602MAY 7502P174-602MAY 7101P044-603MAY 7515P032-603MAY 7101P010-604MAY 15552225MAY 7510P002-606MAY 7103P070-606MAY 7505P193-607MAY 3601F229-457MAY 7101P290-608MAY 3807F204-348MAY 7118P015-609MAY 3412A004-1910MAY 3403D023-4511WP4159193 Whirlpool Screw11MAY 7432P068-6012MAY 3414F108-4413MAY 1555261K14SCREW No.10 X 214MAY 7501P111-6015MAY 3414F094-4416MAY 155525117MAY 3801F238-45