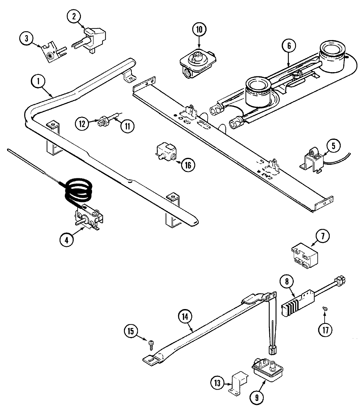
3110KTA-K 04 – GAS CONTROLS