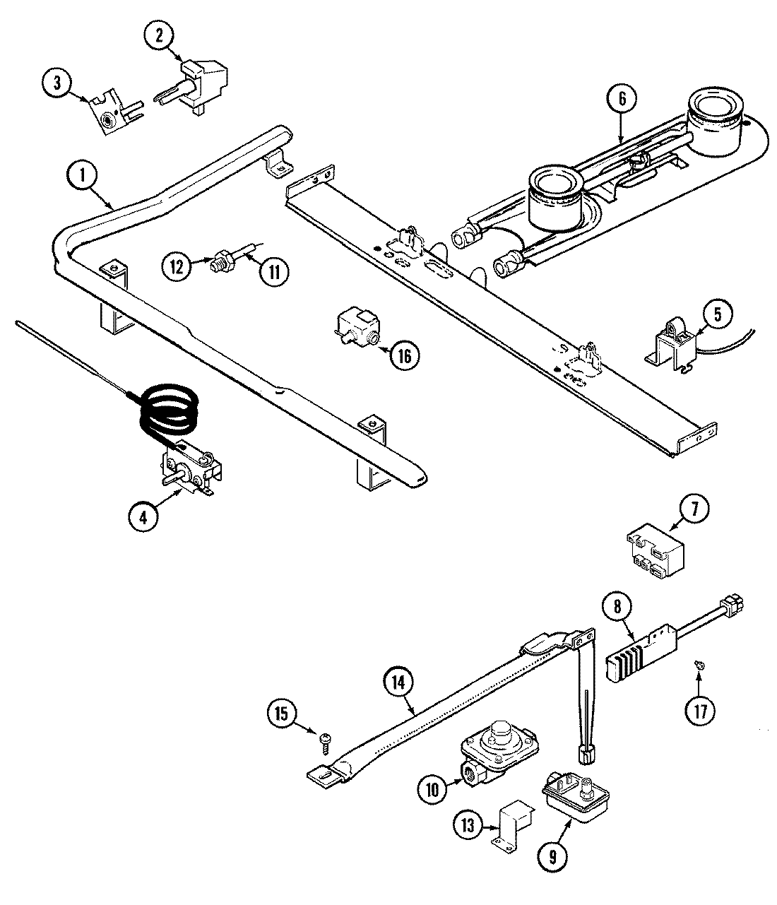
3110PRV 02 – GAS CONTROLS (ELECTRONIC)admin2025-04-26T09:09:52+00:003110PRV 02 – GAS CONTROLS (ELECTRONIC) ProductsPositionProduct1MAY 7513P105-602MAY 7101P044-602MAY 7502P174-603MAY 7403P284-604MAY 7515P032-604MAY 7101P280-604MAY 3604F177-515MAY 7432P008-605MAY 7432P031-605MAY 7118P015-606MAY 3412A004-197MAY 7431P006-607MAY 3807F432-458MAY 7432P067-609MAY 7501P099-6010MAY 8020P007-6010MAY 7510P049-6011MAY 3414F104-4412MAY 155525113MAY 4005F334-5114MAY 3403D023-4515MAY 5185D249-6015MAY 7402P043-6015MAY 7101P290-6016MAY 7502P002-6017SCREW (10-24X5/16-NI)