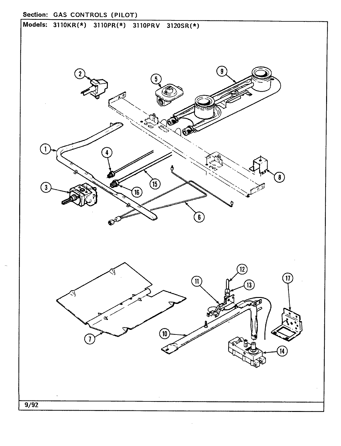
3110PRV 03 – GAS CONTROLS (PILOT)admin2025-04-26T09:08:53+00:003110PRV 03 – GAS CONTROLS (PILOT) ProductsPositionProduct1MAY 7513P132-602MAY 7101P044-603MAY 7101P010-604MAY 15552225MAY 7510P002-607MAY 5504M001-197MAY 7101P290-608MAY 7118P015-608MAY 3807F204-349MAY 3412A004-1910MAY 3403D023-4511WP4159193 Whirlpool Screw11MAY 7432P068-6012MAY 3414F108-4413MAY 1555261K14SCREW No.10 X 215MAY 3414F094-4416MAY 155525117MAY 3801F238-45