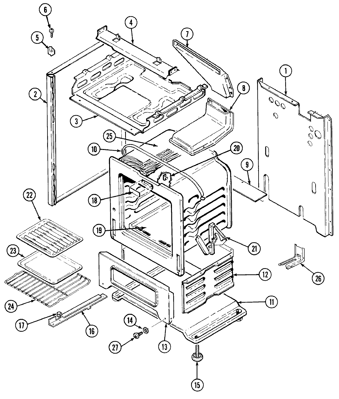
3110PRW 01 – BODY/OVEN