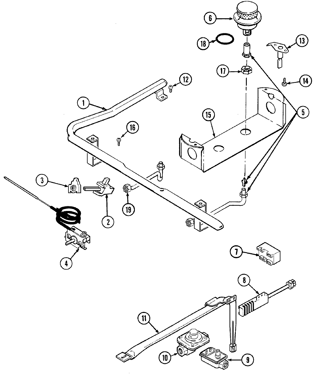
3116PRA 03 – GAS CONTROLSadmin2025-04-26T09:09:12+00:003116PRA 03 – GAS CONTROLS ProductsPositionProduct1MAY 7513P120-602MAY 7502P219-603MAY 7403P284-604MAY 7404P087-604MAY 7101P280-604MAY 4005F334-515MAY 7507P085-606MAY 3412D017-097MAY 7431P027-607MAY 3807F432-458MAY 7432P067-608SCREW (10-24X5/16-NI)9MAY 7501P099-6010MAY 7510P050-6010MAY 8020P007-6010MAY 7507P123-6011MAY 3403D023-4512MAY 7101P290-6013NOT REQUIRED PART OR SEE NOTE FUSE (NOT REQUIRED)14MAY 7101P315-6015MAY 3807F444-4516MAY 7101P296-6017MAY 7103P119-6018MAY 7201P050-6019MAY 7507P084-6020MAY 7402P043-6021MAY 5125A312-6021MAY 5185D250-6021MAY 5140D038-60