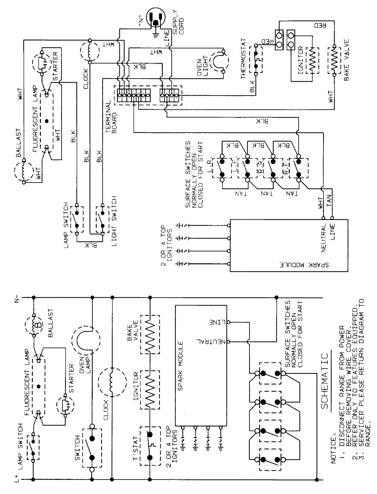
3121STA 05 – WIRING INFORMATIONadmin2025-04-26T08:55:30+00:003121STA 05 – WIRING INFORMATION ProductsPositionProductNIMAY 15001339