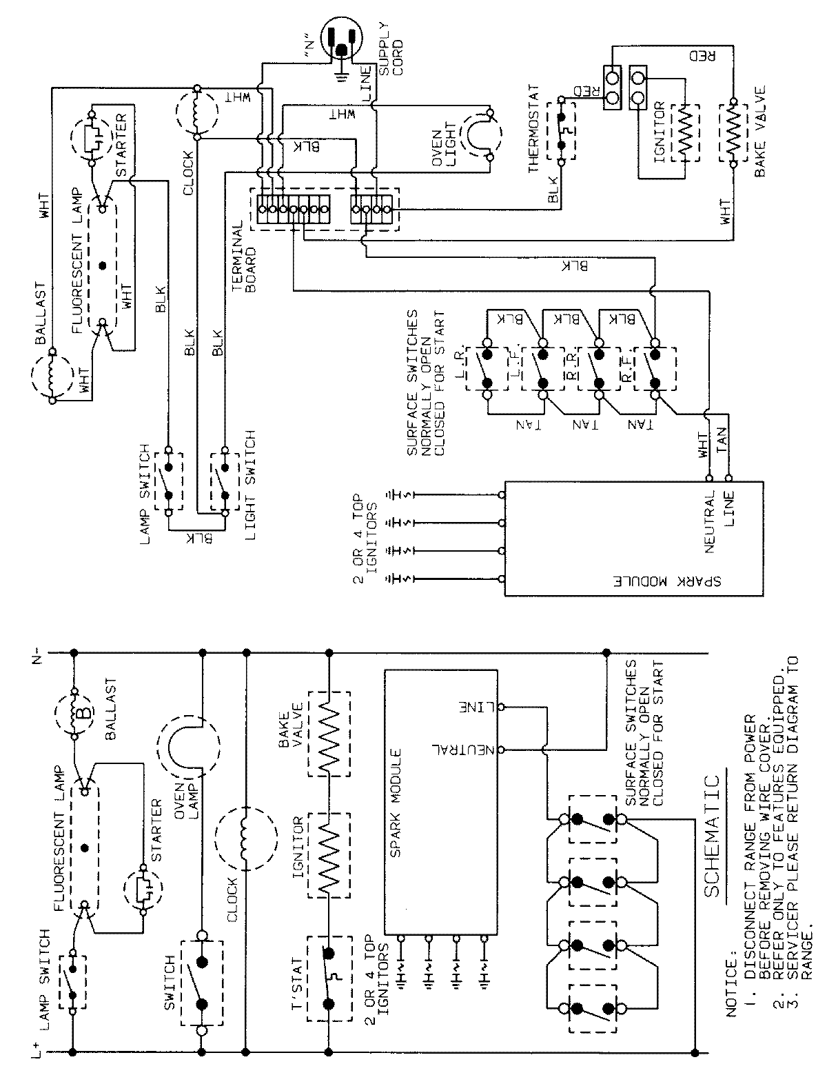
3121STW 06 – WIRING INFORMATIONadmin2025-04-26T08:54:50+00:003121STW 06 – WIRING INFORMATION ProductsPositionProductNIMAY 15001339