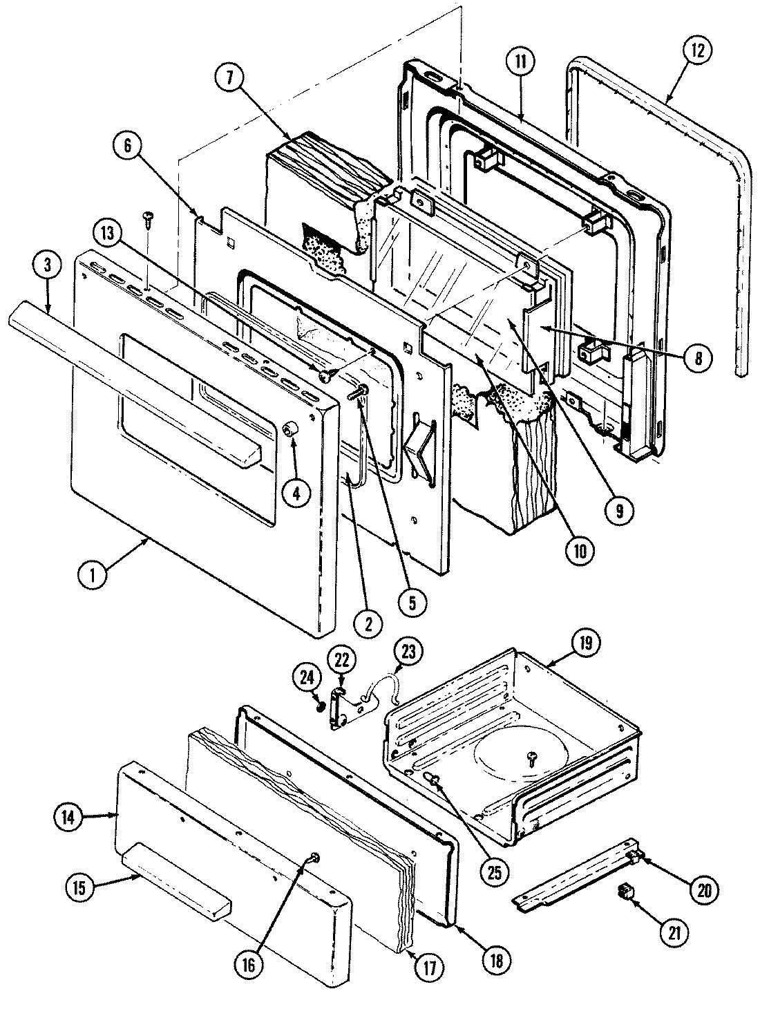
3121WPW 03 – DOOR/DRAWER (3121WP)admin2025-04-26T08:55:28+00:003121WPW 03 – DOOR/DRAWER (3121WP) ProductsPositionProduct1MAY 2401F097-712MAY 7201P017-603MAY 7701P030-604MAY 8010P084-605MAY 7101P080-606MAY 3601F219-457MAY 4804F011-608MAY 7902P320-608MAY 3603F037-808MAY 7907P015-609MAY 2402W185-1910MAY 7212P034-6010MAY 7101P290-6011MAY 2403F028-7112MAY 7701P012-601374002481 Whirlpool Screw14MAY 4804F025-6015MAY 2404F035-1916MAY 3407F012-1917MAY 3404F023-5117MAY 3404F022-5118MAY 8016P011-6018MAY 8016P012-6019MAY 3418F080-5119MAY 3418F079-5120MAY 7803P065-6020MAY 7803P064-6021MAY 7103P022-6022MAY 7113P012-60