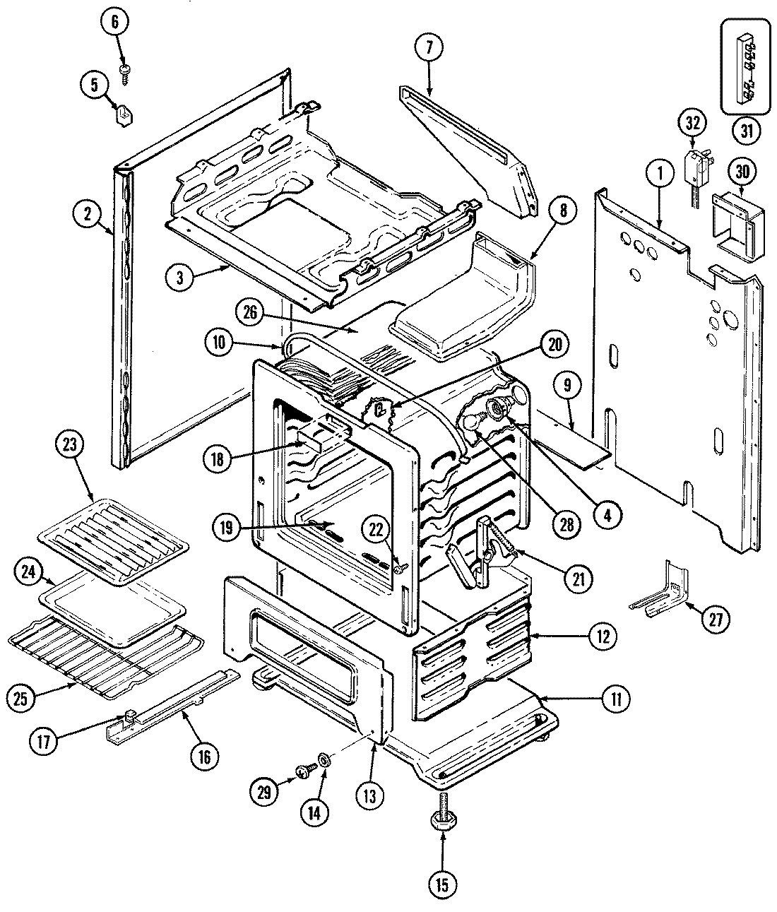
3121WRA 01 – BODY/OVEN