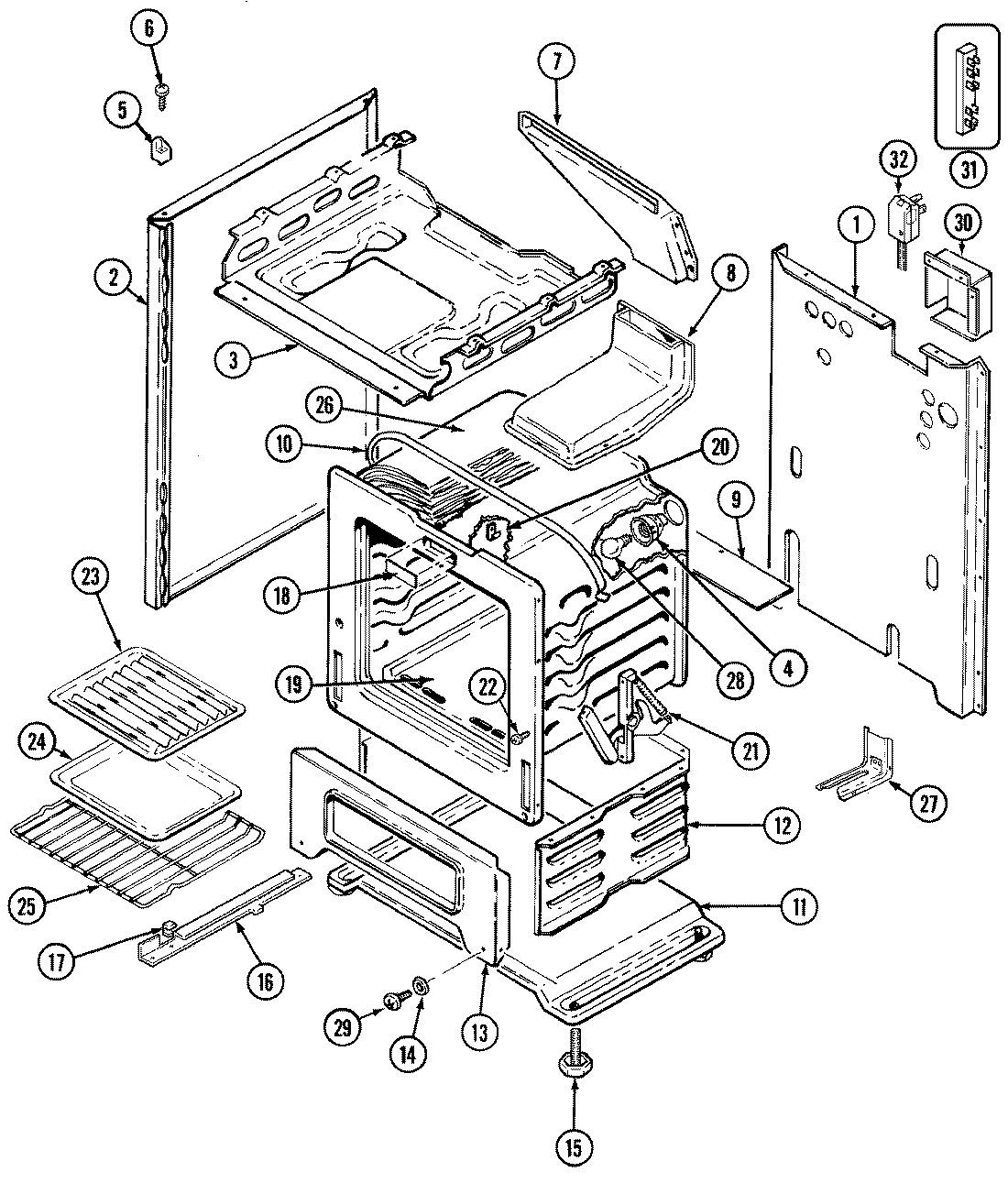
3121WRW 01 – BODY/OVEN