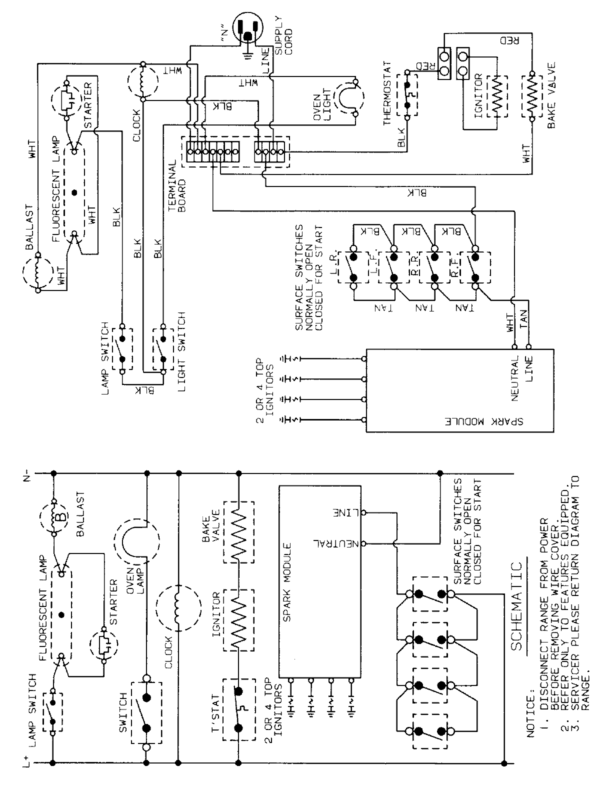
3121WTA 05 – WIRING INFORMATIONadmin2025-04-26T08:55:20+00:003121WTA 05 – WIRING INFORMATION ProductsPositionProductNIMAY 15001339