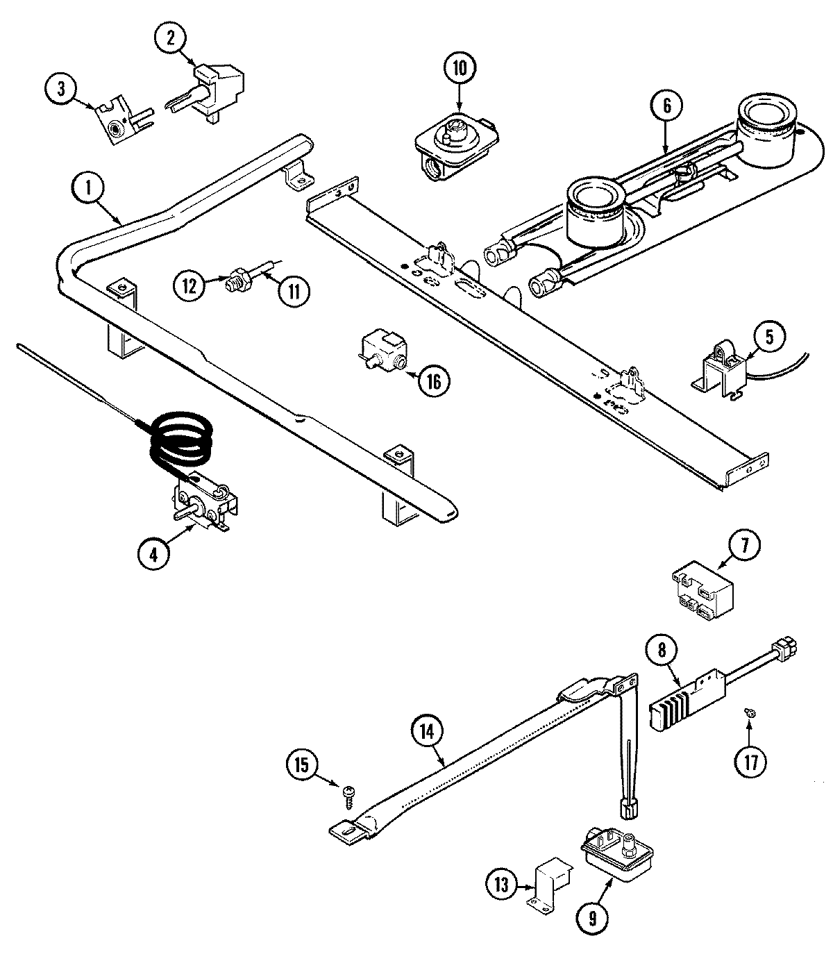
3121WTV 04 – GAS CONTROLS