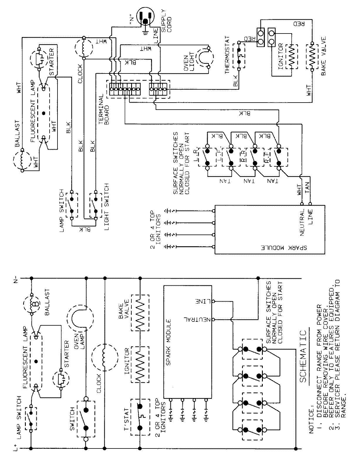
3121WTV 06 – WIRING INFORMATIONadmin2025-04-26T08:55:32+00:003121WTV 06 – WIRING INFORMATION ProductsPositionProductNIMAY 15001339