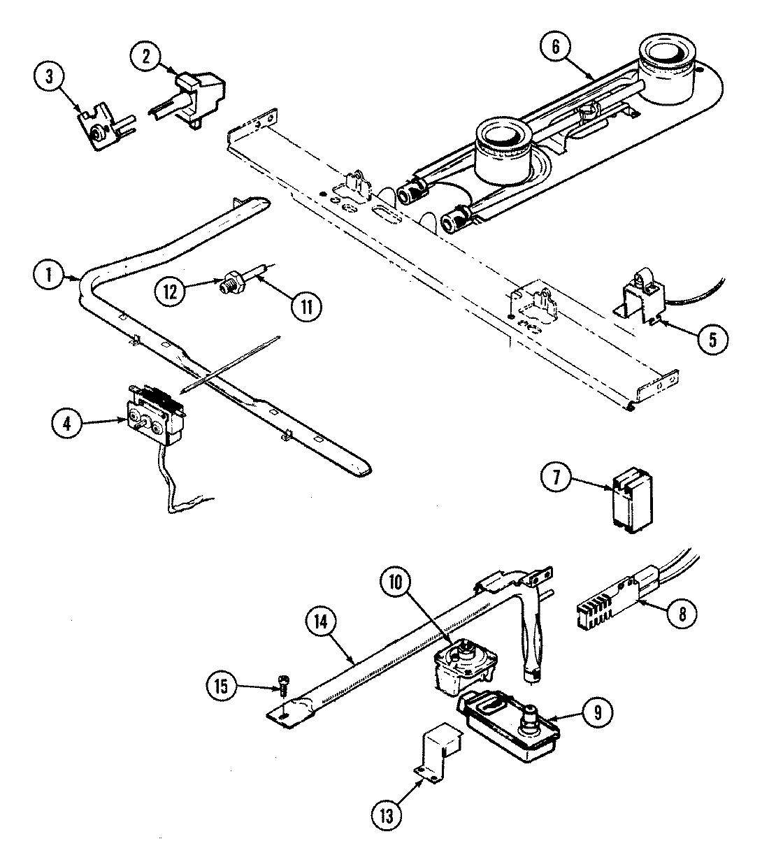
3121XPS 04 – GAS CONTROLSadmin2025-04-26T08:55:31+00:003121XPS 04 – GAS CONTROLS ProductsPositionProduct1MAY 7513P105-602MAY 7101P044-602MAY 7502P174-603MAY 7403P284-604MAY 7101P280-604MAY 7404P087-604MAY 3604F177-515MAY 7432P031-605MAY 7432P008-605MAY 7118P015-606MAY 3412A004-197MAY 3807F432-457MAY 7431P006-608SCREW (10-24X5/16-NI)8MAY 7432P067-609MAY 7501P099-6010MAY 7507M125-6010MAY 8020P007-6010MAY 7510P050-6011MAY 3414F104-4412MAY 155525113MAY 4005F334-5114MAY 3403D023-4515MAY 4005F423-5115MAY 7101P290-60