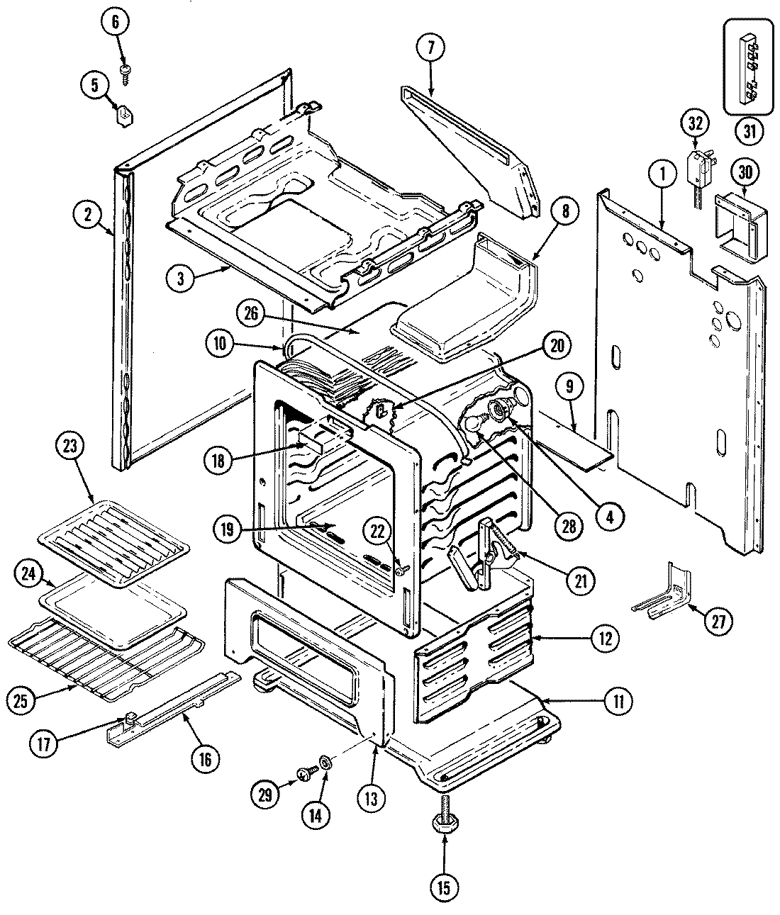
3121XRW 01 – BODY/OVEN