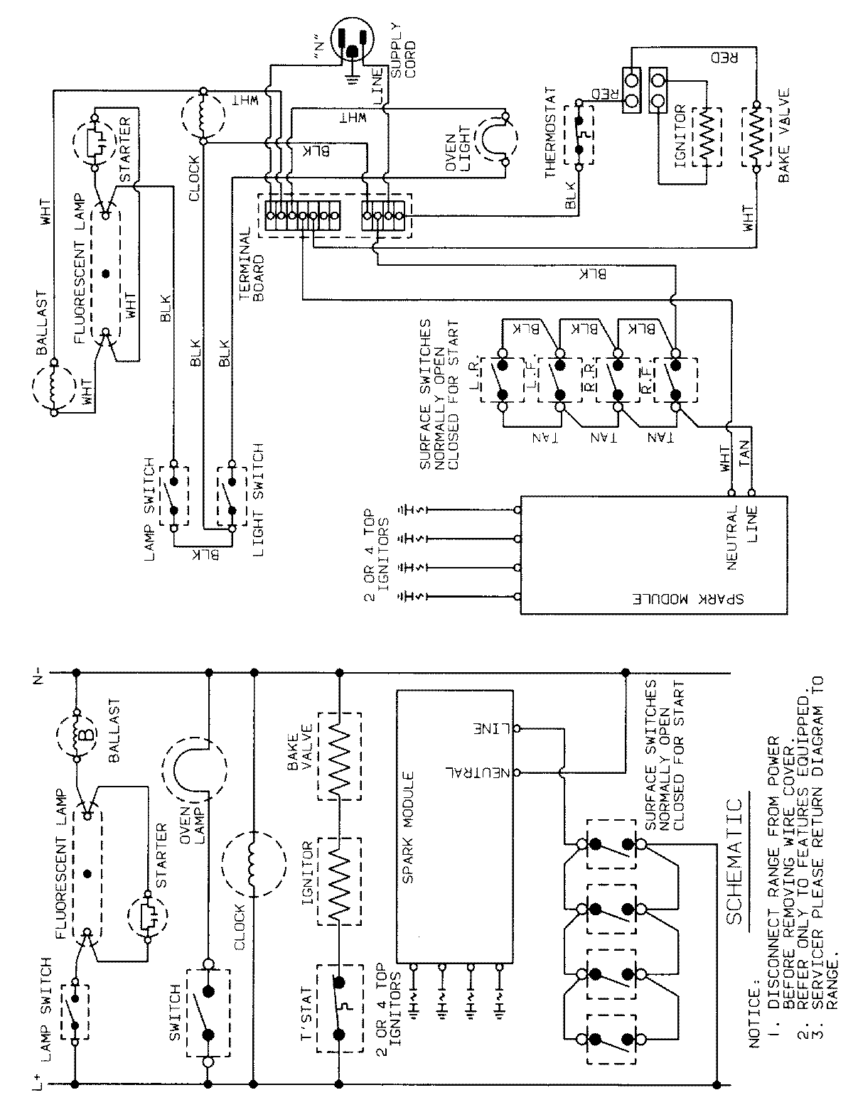
3121XTA 05 – WIRING INFORMATIONadmin2025-04-26T08:55:07+00:003121XTA 05 – WIRING INFORMATION ProductsPositionProductNIMAY 15001339