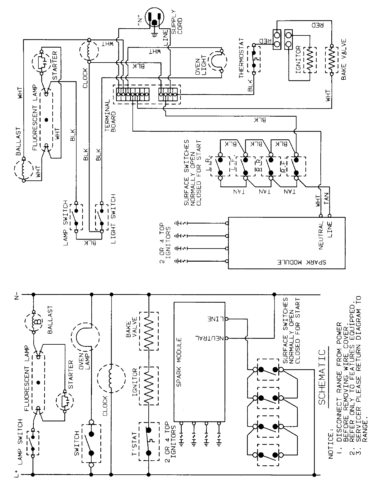
3121XTW 05 – WIRING INFORMATIONadmin2025-04-26T08:55:21+00:003121XTW 05 – WIRING INFORMATION ProductsPositionProductNIMAY 15001339