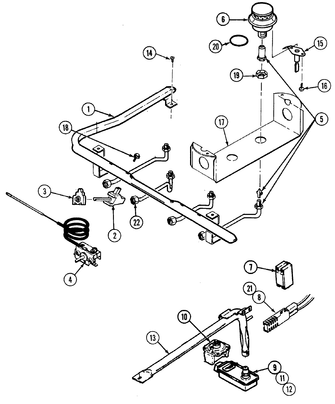
3126SRW 04 – GAS CONTROLSadmin2025-04-26T08:55:29+00:003126SRW 04 – GAS CONTROLS ProductsPositionProduct1MAY 7513P120-602MAY 7502P219-603MAY 7403P284-604MAY 7101P280-604MAY 4005F334-514MAY 7404P087-605MAY 7507P085-606MAY 3412D017-097MAY 3807F432-457MAY 7431P021-608MAY 7432P067-609MAY 7501P099-6010MAY 8020P007-6010MAY 7507P123-6010MAY 7510P050-6011MAY 3414F104-4412MAY 7103P130-6013MAY 3403D023-4514MAY 7101P290-6015NOT REQUIRED PART OR SEE NOTE FUSE (NOT REQUIRED)16MAY 7101P315-6017MAY 3807F451-4518MAY 7101P296-6019MAY 7103P119-6020MAY 7201P050-6021SCREW (10-24X5/16-NI)22MAY 5125A312-6022MAY 5185D250-6022MAY 7507P084-6022MAY 5140D038-60