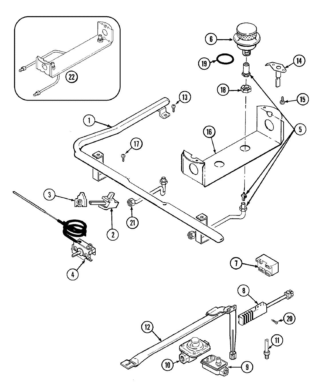
3126STA 04 – GAS CONTROLSadmin2025-04-26T08:55:11+00:003126STA 04 – GAS CONTROLS ProductsPositionProduct1MAY 7513P120-602MAY 7502P232-603MAY 7403P284-604MAY 4005F334-514MAY 7101P280-604MAY 7404P087-605MAY 7507P137-606MAY 3412D018-097MAY 3807F432-457MAY 7431P021-607MAY 7431P027-608MAY 7432P067-609MAY 7103P130-609MAY 7501P137-6010MAY 8020P007-6010MAY 7510P063-6010MAY 7507P123-6011MAY 3414F104-4412MAY 3403D023-4513MAY 7101P290-6014NOT REQUIRED PART OR SEE NOTE FUSE (NOT REQUIRED)15MAY 7101P315-6016MAY 3807F451-4517MAY 7101P296-6018MAY 7103P119-6019MAY 7201P050-6020SCREW (10-24X5/16-NI)21MAY 7507P115-6022WP5187M026-60 Whirlpool Surface Burner Orifice Holder23MAY 5185D250-6023MAY 5140D038-6023MAY 5125A312-60