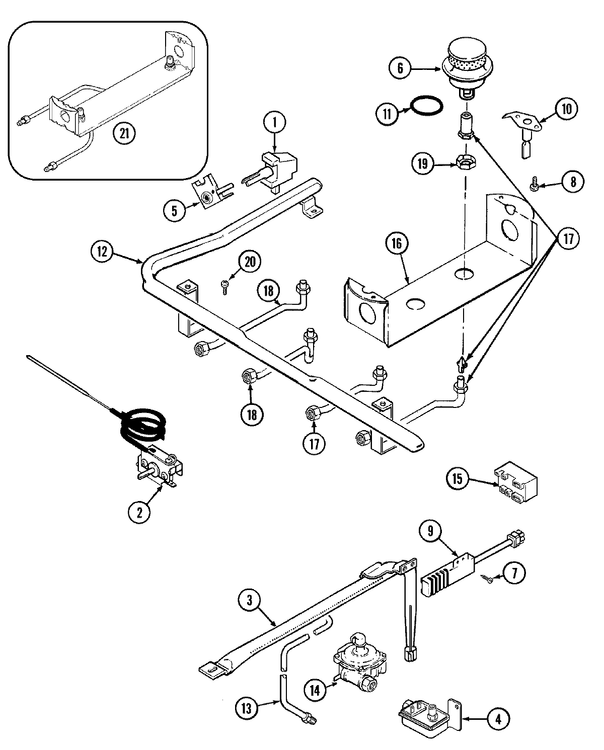
| 1 | MAY 7502P219-60 |
| 2 | MAY 3604F177-51 |
| 2 | MAY 7404P087-60 |
| 2 | MAY 7101P280-60 |
| 3 | MAY 3403D023-45 |
| 4 | MAY 7501P137-60 |
| 4 | MAY 4005F433-51 |
| 5 | MAY 7403P284-60 |
| 6 | MAY 3412D018-26 |
| 7 | SCREW (10-24X5/16-NI) |
| 8 | MAY 7101P315-60 |
| 9 | MAY 7432P076-60 |
| 10 | NOT REQUIRED PART OR SEE NOTE FUSE (NOT REQUIRED) |
| 11 | MAY 7201P050-60 |
| 12 | MAY 7103P130-60 |
| 12 | MAY 7513P120-60 |
| 13 | MAY 3414F104-44 |
| 14 | MAY 7507P123-60 |
| 14 | MAY 7510P063-60 |
| 15 | MAY 7431P023-60 |
| 15 | MAY 7431P027-60 |
| 15 | MAY 7101P290-60 |
| 15 | MAY 3807F432-45 |
| 16 | MAY 3807F451-45 |
| 17 | MAY 7507P085-60 |
| 18 | MAY 7507P084-60 |
| 19 | MAY 7103P119-60 |
| 20 | MAY 7101P296-60 |
| 21 | MAY 5140D038-60 |
| 21 | MAY 5187D025-60 |
| 21 | MAY 5125A312-60 |