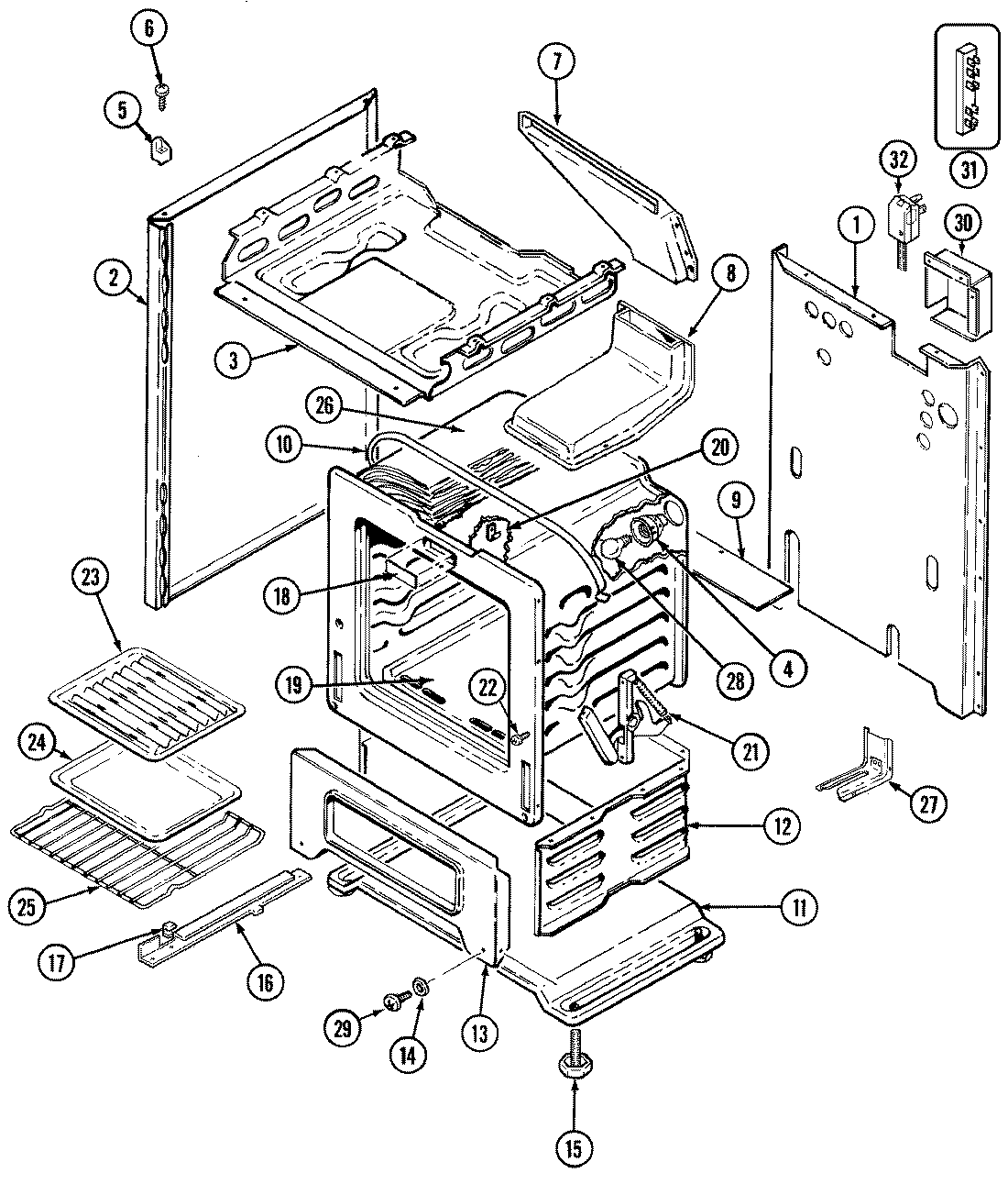
3167XRW 01 – BODY/OVEN