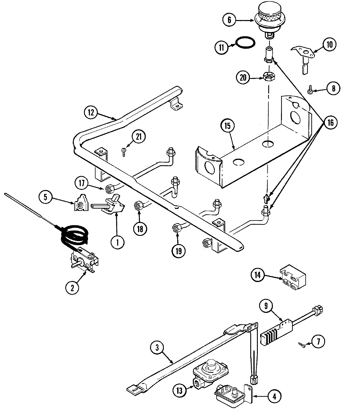
3167XTW-X 05 – GAS CONTROLSadmin2025-04-26T08:55:20+00:003167XTW-X 05 – GAS CONTROLS ProductsPositionProduct1MAY 7502P251-602MAY 3604F177-512MAY 7404P087-602MAY 7101P280-603MAY 3403D023-454MAY 7501P137-604MAY 4005F433-515WP7403P279-60 Whirlpool Igniter Switch6MAY 3412D018-097SCREW (10-24X5/16-NI)8MAY 7101P315-609MAY 7432P076-6010NOT REQUIRED PART OR SEE NOTE FUSE (NOT REQUIRED)11MAY 7201P050-6012MAY 7103P130-6012MAY 7513P120-6012MAY 3414F104-4413MAY 7510P063-6014MAY 7431P023-6014MAY 3807F432-4515MAY 3807F451-4516MAY 7507P085-6017MAY 7507P113-6018MAY 7507P084-6019MAY 7507P091-6020MAY 7103P119-6021MAY 5140D038-6021MAY 7101P296-6021MAY 5125A312-60