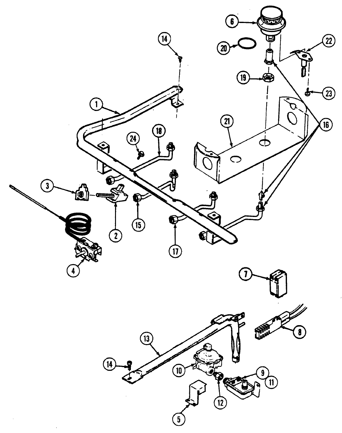
3187VTV 04 – GAS CONTROLS (ELECTRONIC)