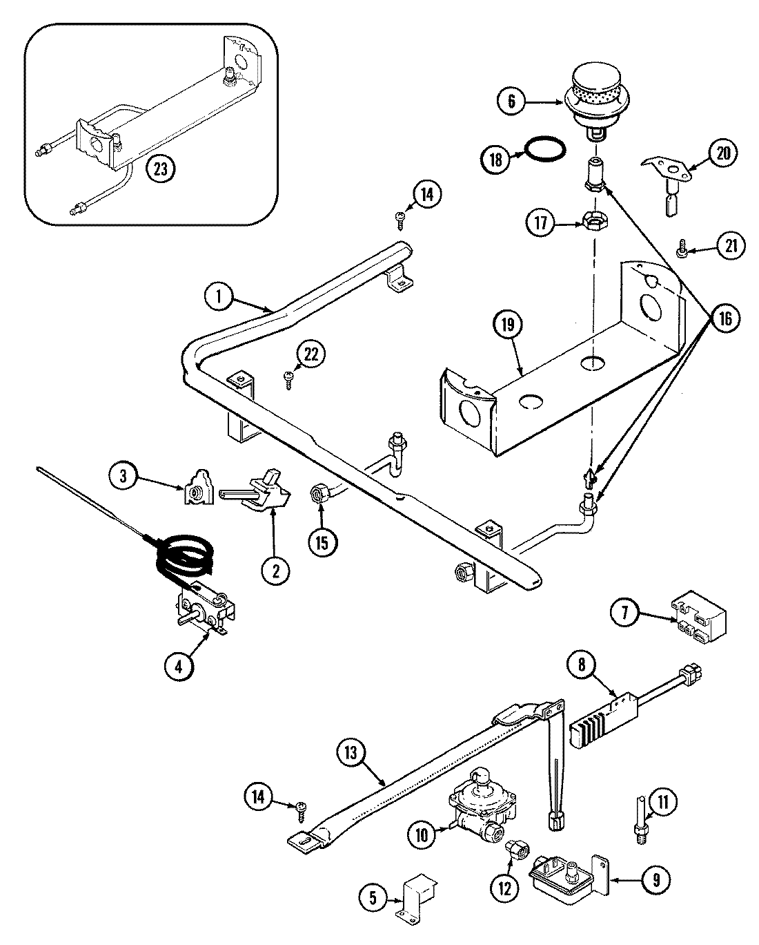
3187VUA 04 – GAS CONTROLS (ELECTRONIC)admin2025-04-26T08:55:31+00:003187VUA 04 – GAS CONTROLS (ELECTRONIC) ProductsPositionProduct1MAY 7513P120-602MAY 7502P251-603WP7403P279-60 Whirlpool Igniter Switch4MAY 7404P087-604MAY 7101P280-605MAY 4005F334-516MAY 3412D018-097MAY 7431P027-607MAY 3807F432-457MAY 7431P023-608MAY 7432P076-608SCREW (10-24X5/16-NI)9MAY 7501P137-6010MAY 7507P123-6010WP74006429 Whirlpool Regulator10MAY 8020P007-6011MAY 3414F104-4412MAY 7103P130-6013MAY 3403D023-4513BAFFLE, OVEN BOTTOM14MAY 7101P290-6015MAY 7507P084-6015MAY 7507P091-6016MAY 7507P113-6016MAY 7507P085-6017MAY 7103P119-6018MAY 7201P050-6019MAY 3807F451-4520NOT REQUIRED PART OR SEE NOTE FUSE (NOT REQUIRED)21MAY 7101P315-6022MAY 7101P296-6023MAY 1200107424MAY 5140D038-6024MAY 5125A312-60