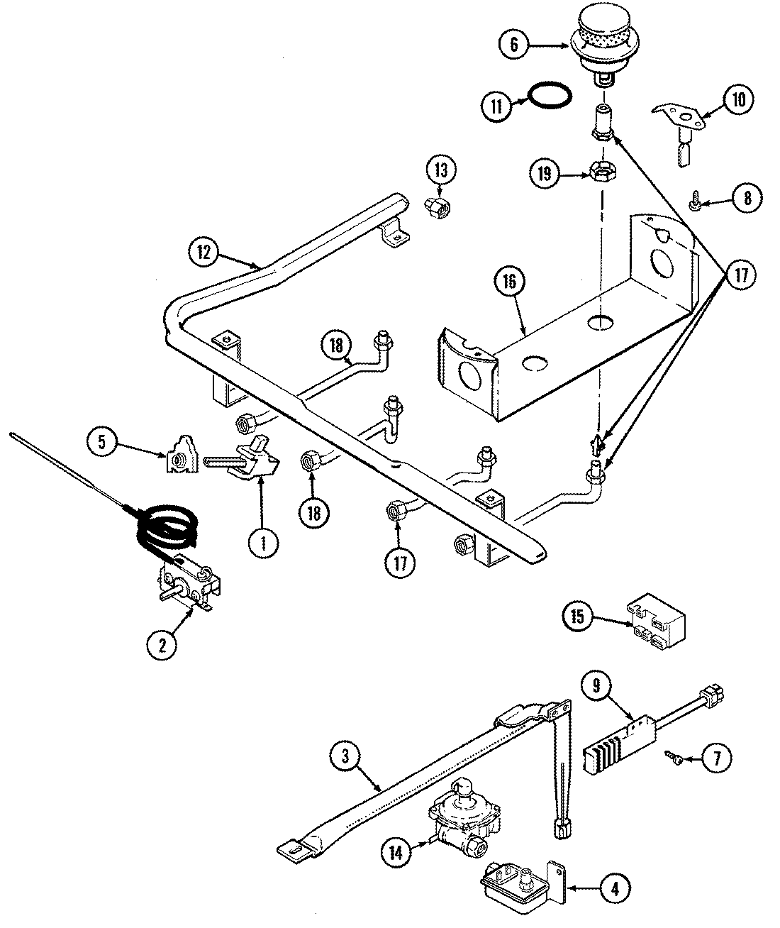
3187XRA 04 – GAS CONTROLSadmin2025-04-26T08:55:08+00:003187XRA 04 – GAS CONTROLS ProductsPositionProduct1MAY 7502P218-602MAY 7404P084-602MAY 3604F177-512MAY 7101P280-603MAY 3403D023-454MAY 7501P099-604MAY 4005F334-515WP7403P279-60 Whirlpool Igniter Switch6MAY 3412D017-097SCREW (10-24X5/16-NI)8MAY 7101P315-609MAY 7432P067-6011MAY 7201P050-6012MAY 3414F104-4412MAY 7513P120-6013MAY 7103P130-6014MAY 7510P050-6015MAY 7431P021-6015MAY 3807F432-4516MAY 3807F444-4517MAY 7507P085-6018MAY 7507P113-6019MAY 7507P084-6020MAY 7507P091-6021MAY 7103P119-6022MAY 5140D038-6022MAY 5125A312-6022MAY 7101P296-6023NOT REQUIRED PART OR SEE NOTE FUSE (NOT REQUIRED)